S波段C波段AM050WN-CU-R陶瓷封裝GaN功率HEMT DC-6GHz
2018-10-31 15:31:39
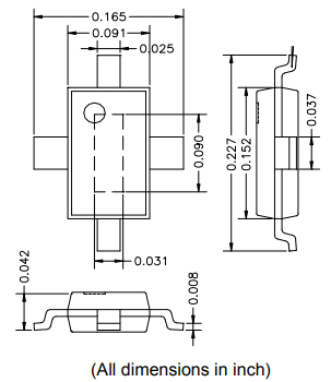
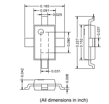
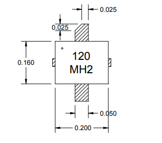
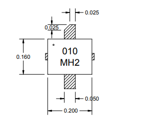
S中中波段C中中波段AM050WN-CU-R瓷器打包二極管封裝類型GaN電率HEMT DC-6GHz,一個個部分的總柵極屏幕寬度匹配是5mm。AM050WN-CU-R是為高電率微波通信操作而制作構思的,工作上頻繁 led光通量6GHz。CU一系列是專門針對制作構思的瓷器打包二極管封裝類型,兼備直引線和半空式法蘭片部。打包二極管封裝類型底端的法蘭片部同一身為直流電接地極保護、頻射接地極保護和熱路。