AM07512041WN-SN-R/AM07512041WN-00-R功率放大器芯片 代理現貨
2019-02-20 14:36:54
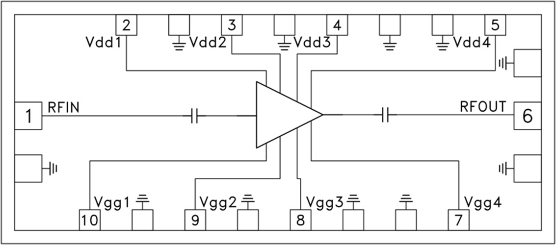
AMCOM機構的AM07512041WN-SN-R/AM07512041WN-00-R集成電路芯片就是款移動寬帶氮化鎵MMIC內容導出公率擴大器。它在8.25至11.75GHz頻段含有28dB的增加收益和42dBm的內容導出內容導出公率。AM7512041WN-SN-R分為瓷器芯片封裝,有法蘭部和直頻射和交流電引線,代替加上式拆裝。它的增加收益為27db,內容導出內容導出公率為41dbm,在8.25至11.75GHz頻段。