AD7980BRMZ法向齒改換器ADC 代銷商期貨
發表時:2019-02-18 14:46:26 瀏覽記錄(lu):2021
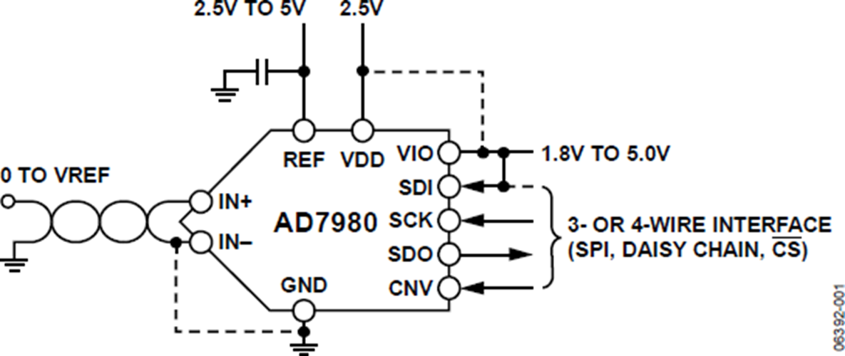
AD7980BRMZ是一款 款16位、逐次梯度下降法型系數切換器(ADC),選擇單主機電源適配器(VDD)供電局。它自帶一款 低耗電量、速度、16位抽樣ADC和一款 多能力串行模塊串口。在CNV上升時沿,該電子器件對IN+與IN-相互間的模擬訓練發送額定電流端電壓差來進行抽樣,超范圍從0 V至REF。基準點額定電流端電壓(REF)由異常能夠提供,與此同時能夠獨立自主于主機電源適配器額定電流端電壓(VDD)。耗電量和吞吐傳輸速率呈線型波動的關系。
SPI兼容串行主板接口還是可以靈活運用SDI讀取,將幾條ADC以白菊花鏈類型相連到一次四線式串口通信上,并展示 先選的正忙告訴。分為經濟獨立電VIO時,它與1.8V、2.5V、3V和5V思想兼容。
AD7980BRMZ所采用10引腳MSOP打包封口或10引腳QFN (LFCSP)打包封口,工作上溫差面積為?40°C至+125°C。
|
品牌
|
型號
|
貨期
|
庫存
|
|
ADI
|
AD7980BRMZ
|
1周
|
20
|
若是您必須要購AD7980BRMZ,請選擇左測網上客服鏈接我們的!!!
AD7980BRMZ適用
AD7980BRMZ優勢和特點
-
16位分辨率、無失碼
-
呑吐速率:1 MSPS
-
低功耗
4 mW(1 MSPS,僅VDD)
7 mW(1 MSPS,總功耗)
70 μW (10 kSPS)
-
INL:典型值±0.6 LSB,最大值±1.25 LSB
-
信納比(SINAD):91.25 dB(10 kHz時)
-
THD:-110 dB(10 kHz時)
-
欲了解更多特性,請參考數據手冊
AD7980-EP適用防務和航空運輸航天科技應用軟件(AQEC標準規范)
-
下載AD7980-EP數據手冊(pdf)
-
受控制造基線
-
唯一封裝/測試廠
-
唯一制造廠
-
增強型產品變更通知
-
認證數據可應要求提供
-
軍用溫度范圍(?55℃至+125℃)
-
V62/12640 DSCC圖紙號
AD7980BRMZ示意圖
