業內手游資訊
正式發布日期:2025-08-22 16:41:29 手機(ji)瀏覽:6
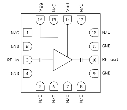
CMD283C3 不是款由Custom MMIC(現(xian)屬 Qorvo)制定的非(fei)常低的嗡嗡聲(sheng) MMIC 圖像功率放大器(qi),適用 3x3 mm無(wu)引線(xian)瓷質 QFN 芯片封裝,頻次的范(fan)圍包(bao)括 2-6 GHz,兼備高增加收益、低空(kong)調噪聲(sheng)、低功率等特點(dian),支(zhi)持(chi)于(yu)S/C中波段光(guang)學(xue)戰(zhan)、數據網絡(luo)(luo)通訊控制系統、汽(qi)車雷(lei)達監測及衛星信號數據網絡(luo)(luo)通訊等前沿技術。
重要質量指標
- 的頻率規模:2 – 6 GHz(明顯(xian)軟件測試點 4 GHz)
- 小4g信號收(shou)獲:27 dB(先進典(dian)型)
- 噪(zao)音公式:0.6 dB(4 GHz,先進(jin)典型)
- 讀(du)取(qu) 1 dB 收(shou)縮點:16dBm
- 打(da)出 IP3:26dBm
- 穩定工作電(dian)壓(ya):2 – 5 V(適用 3 V)
- 業務(wu)直流電:29 – 60 mA(主要42 mA)
- 端口處回波不足:發送≥ 10 dB,轉換≥8dB
- 的操作溫:-40 °C 至 +85 °C
- 打包封裝(zhuang):3 mm ×3 mm × 0.85 mm 無引線 QFN,RoHS 兼容

定制的特點
- 片內 50 Ω適配,不(bu)用再冗余隔直電(dian)阻與 RF 表(biao)層(ceng)相(xiang)匹配網格
- 單電(dian)源(yuan)開關用電(dian)便(bian)可運(yun)轉,外邊(bian)僅(jin)需一少部(bu)分偏置電(dian)阻值/電(dian)感
- 能(neng)提供分析(xi)板 CMD283C3-EVB,有好(hao)處于迅速的原形驗正(zheng)
技木優點
較低噪音(yin)(yin)因子:0.6 dB的(de)的(de)噪音(yin)(yin)指數公式在(zai)相(xiang)似商品中的(de)表現非常好(hao),相(xiang)當分立構(gou)件品質,滿足(zu)了高流暢度發送到供需。
高增益(yi)值(zhi)帶寬耐磨性:27 dB增益(yi)值(zhi)所覆蓋 2-6 GHz頻段(duan),靜態平衡增益(yi)值(zhi)與速率,自(zi)我調節多頻段(duan)軟件應(ying)用。
低額定(ding)功(gong)率(lv)結構(gou)設計(ji):42 mA電流(liu)量耗用和(he) 2-5 V 的電壓面(mian)積,變低系統化功(gong)率(lv),廷長一(yi)體式式生產設備電動車(che)續航。
一(yi)體化化規(gui)劃:50 Ω匹配(pei)好(hao)和內層整流恰恰能(neng)阻隔(ge),避(bi)免外鏈電子器件數目,拉低軟件系統有難度性和成本費。
高能(neng)信性(xing):衛浴(yu)陶(tao)瓷 QFN 二極管封(feng)裝保證出眾散熱性(xing)能(neng)參(can)數,不適應十分惡劣生態,延緩用(yong)到生命(ming)周期。
app場地
電(dian)商(shang)戰(EW)平(ping)臺:超小型的和(he)低顯卡功耗因素使其成電(dian)子機器(qi)設備情報偵察、干憂機器(qi)設備的良好采用。
通信模式:覆蓋率 S k線(xian)和C 股票(piao)波(bo)段,適合網(wang)絡通信技術(shu)衛星網(wang)絡通信技術(shu)、無線(xian)網(wang)通信技術(shu)等高頻用(yong)途。
汽車(che)雷(lei)達(da)(da)測(ce)探(tan)(tan)系統軟件:高頻(pin)率能(neng)和低燥音因子增強汽車(che)雷(lei)達(da)(da)測(ce)試(shi)探(tan)(tan)試(shi)探(tan)(tan)探(tan)(tan)準(zhun)確度度和識別率。
服(fu)務器(qi)與(yu)遙感衛星電(dian)訊:高靠普性(xing)裝修設計無法航空級選用意(yi)愿(yuan),適用于繞城高速數劇無線傳輸。
上海市立維創展科學技術是QORVO的批發商商,通常給出QORVO熱(re)效(xiao)率(lv)圖像放大(da)儀, IC和(he)裸(luo)電子器件(jian),立維創展占(zhan)有平穩的供(gong)給分銷渠道,售(shou)價的優勢,并非常多具(ju)有現貨(huo)交易存貨(huo),喜(xi)歡咨詢公司。