產業新聞咨詢
推送日子(zi):2019-02-20 16:00:57 查看:1719
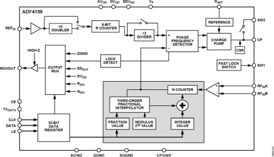
ADF4159WCCPZ由低噪聲數字(zi)鑒頻鑒相器(qi)(qi)(qi)(PFD)、精密電荷泵和(he)可(ke)(ke)編程(cheng)參(can)考分頻器(qi)(qi)(qi)組(zu)成。 該器(qi)(qi)(qi)件內置一個Σ-Δ型小(xiao)數插值器(qi)(qi)(qi),能夠(gou)實現可(ke)(ke)編程(cheng)小(xiao)數N分頻。 INT和(he)FRAC寄(ji)存器(qi)(qi)(qi)可(ke)(ke)構成一個總N分頻器(qi)(qi)(qi)(N = INT + (FRAC/225))。
ADF4159WCCPZ要用于確保頻移鍵控(FSK)和相移鍵控(PSK)熬制。 有著一部分要用的速度掃碼軟件格局,可在頻域內生產各方面波型,這類波浪紋波和三角型波。 掃碼軟件會使用為主動使用,也會使用為進行外電磁手工釋放所有過程。 ADF4159WCCPZ兼有周跳可以減少電線,可進這一步節約確定精力,而無須編輯環路濾波器。 很多片內寄存器均可能通過簡略的四線式插口實行管理。 ADF4159使用2.7 V至3.45 V摸擬主機供電公司和1.62 V至1.98 V號碼主機供電公司供電公司,無需時可能關斷。
| 品牌 | 型號 | 貨期 | 庫存 |
| ADI | ADF4159WCCPZ | 1周 | 100 |
廣泛應用
優勢和特點
示意圖
