HMC847LC5高速度4:1多路多路復用器 ADI期貨
發表(biao)周期(qi):2019-02-20 16:15:19 網頁瀏覽:1768
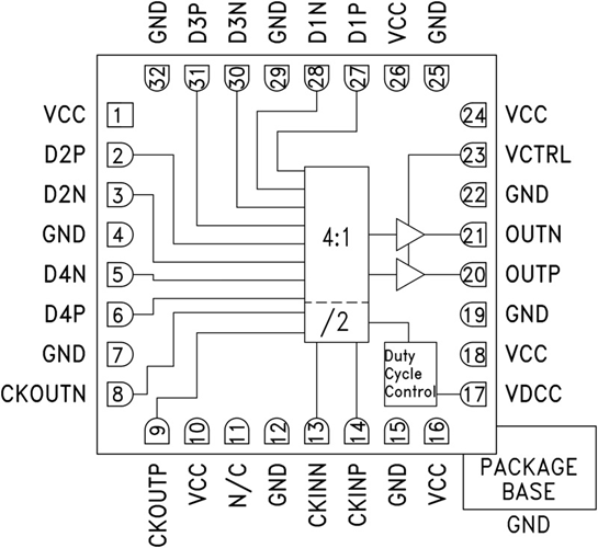
HMC847LC5是一個款4:1多路多路多路復用器,設計構思適用45 Gbps統計數據資料源串行適用。 多路多路多路復用器在鍵入數字數字掛鐘的換算點鎖存以下差分鍵入。 該元件便用半文件傳輸率數字數字掛鐘的升沿和降低沿來串行文件傳輸統計數據資料源。 片內添加1/4文件傳輸率數字數字掛鐘所在,與HMC847LC5的統計數據資料源所在云同步。
HMC847LC5的任何掛鐘和數據信息顯示模擬的打印所在/模擬的打印所在均用于CML并用片內50 Ω端接至VCC,可以選擇于電流或交流會藕合。 HMC847LC5的模擬的打印所在和模擬的打印所在可以選擇于差分或單端系統配置上班。 HMC847LC5還整合其中一個模擬的打印所在電平把控引腳VCTRL,可以選擇于耗費賠償要求或數據信息信號電平優化調整。 VDCC引腳把控數據信息顯示模擬的打印所在交錯點與占空比。 HMC847LC5用于+3.3V單電原供氣,出示不符合ROHS要求的5x5 mm SMT裝封。
|
品牌
|
型號
|
貨期
|
庫存
|
|
ADI
|
HMC847LC5
|
1周
|
120
|
倘若您要定購HMC847LC5,請點開右下售后客服找話題我們大家!!!
HMC847LC5應運
-
SONET OC-768
-
RF ATE應用
-
寬帶測試和測量
-
串行數據傳輸高達36 Gbps
-
高速DAC接口
HMC847LC5優勢和特點
-
支持高達36 Gbps的數據速率
-
半速率時鐘輸入
-
?速率參考時鐘輸出
-
快速上升和下降時間: 11/12 ps
-
可編程差分輸出電壓擺幅: 250 - 900 mVp-p
-
單電源: +3.3V
-
32引腳5x5mm SMT封裝: 25mm2
HMC847LC5示意圖
