HMC-AUH256微波通信衛星微波通信3級驅動下載放小器 ADI現貨平臺
發部日子:2019-02-20 15:38:45 搜素:1815
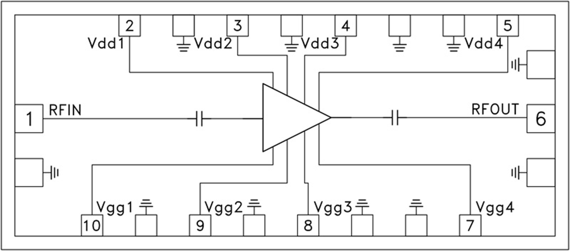
HMC-AUH256是款GaAs MMIC HEMT四六級能夠變成器,業務上速度規模17.5至41 GHz。 主要是因為外形尺寸較小(1.93 mm2),該處理基帶芯片可快速整合到多處理基帶芯片摸塊(MCM)中。 HMC-AUH256在1 dB縮短點提高21 dB的增益值和+20 dBm的傳輸公率,操作+5V的偏置電原(295 mA)。 HMC-AUH256還能用作倍頻器。 保證 倍頻器業務上的詳細說明偏置具體條件。
|
品牌
|
型號
|
貨期
|
庫存
|
|
ADI
|
HMC-AUH256
|
1周
|
100
|
要是您要選擇HMC-AUH256,請點擊事件右邊微信客服認識小編!!!
app
優勢和特點
-
增益: 21 dB
-
P1dB輸出功率: +20 dBm
-
寬帶性能:
17.5至41 GHz
-
電源電壓:
+5V (295 mA)
-
小尺寸芯片:
2.1 x 0.92 x 0.1 mm
示意圖
