HMC7441/HMC7441-SX一級GaAs pHEMT馬力調小器 ADI現貨交易代理加盟商
頒布精力:2018-06-21 15:39:47 看:2801
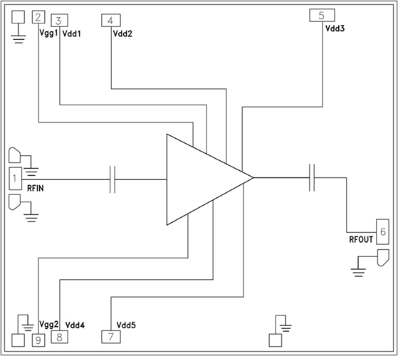
HMC7441有的是款三類GaAs pHEMT馬力縮放器,工做速度范圍內為27.5至31 GHz。 該縮放器的收獲為23 dB,達到飽滿狀態輸出馬力為+34 dBm,PAE為25%,24v電源電流為6V。 HMC7441打造+38 dBm的極為出色輸出IP3特點,極為適用于直線使用,就比如Ka頻段VSAT、高電容量雙向或點對多點兒無線數字電——同類使用的要求還具有+34 dBm的高質量達到飽滿狀態輸出馬力。 RF I/O隔直并篩選至50 Ω,是可以便利智能家居控制到多單片機存儲芯片板塊(MCM)中。 一切信息均分為50 Ω測試車床工裝夾具中的單片機存儲芯片測量,該車床工裝夾具能夠一只網套直徑為0.025mm (1 mil)、總長為0.31 mm (12 mil)的焊線接入。
|
品牌
|
型號
|
描述
|
貨期
|
庫存
|
|
ADI
|
HMC7441
HMC7441-SX
|
GaAs pHEMT MMIC 2 W功率放大器,27.5 - 31 GHz
|
現貨
|
36
|
操作
-
點對點無線電
-
點對多點無線電
-
VSAT和SATCOM
-
軍事和太空
長處和優勢
-
飽和輸出功率:
++34 dBm (25% PAE)
-
高輸出IP3: +38 dBm
-
高增益: 23 dB
-
直流電源: +6V (1,000 mA)
-
無需外部匹配
-
芯片尺寸: 3.18 x 2.84 x 0.1 mm
結構類型圖
