HMC7149/HMC7149-SX氮化鎵(GaN) MMIC電機功率拖動器 ADI現貨交易代理費
上架事件(jian):2018-06-22 16:02:59 瀏(liu)覽訪問:2370
HMC7149就是款10W氮化鎵(GaN) MMIC工率圖像圖像放大儀,操作頻帶寬度領域為6至18 GHz。 一般而言環境下,該圖像圖像放大儀給予20 dB的小的4g信號增益控制、+40 dBm的過剩模擬導出電壓工率、+39.5 dBm的模擬導出電壓IP3(每的4g信號音+28 dBm模擬導出電壓工率時)。 應用+28V整流外接電源時,HMC7149的功率為680 mA。 RF I/O適配至50 Ω,可能更方便集成式到多電子器件包塊(MCM)中。 因此電特性統計資料均憑借電連到至板厚為為1.02 mm (40 mil)的CuMo媒體的電子器件提高,而二個直徑約為1.0 mil的焊線連到電子器件至50 ?脫色鋁輸送高壓線路。
|
品牌
|
型號
|
描述
|
貨期
|
庫存
|
|
ADI
|
HMC7149
HMC7149-SX
|
10 W GaN MMIC功率放大器,6 - 18 GHz
|
現貨
|
100
|
HMC7149軟(ruan)件
HMC7149優勢和特點
-
高Psat: +40 dBm
-
Psat時的功率增益: +10 dB
-
高輸出IP3: +39.5 dBm
-
小信號增益: 20 dB
-
電源電壓: +28V (0.680 A)
-
50 Ω匹配輸入/輸出
-
芯片尺寸: 3.4 x 4.5 x 0.1 mm2
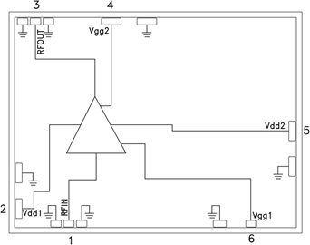
HMC7149結構圖
