HMC7357LP5GE/HMC7357LP5GETR中級工作電壓拖動器的頻率5.5至8.5 GHz ADI期貨
推出時間:2018-06-22 16:06:19 搜索:2624
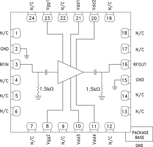
HMC7357就是款三級GaAs pHEMT MMIC中級效率增加器,辦公幀率的范圍為5.5至8.5 GHz。 該增加器的增加收益為29 dB,飽和狀態導出效率為+35 dBm,PAE為34%,電源適配器電壓降為+8V。 HMC7357帶來+41.5 dBm的好品質導出IP3的性能,特別適合線性網絡工藝用途,這種高儲存量一對一和點對多一些wifi電或VSAT/SATCOM工藝用途——之類工藝用途追求有著+35 dBm的極有效率飽和狀態導出效率。 RF I/O內層匹配好至50 Ω,選用方面。 HMC7357選用無鉛5x5 mm塑膠表貼封裝,與表貼制造廠工藝兼容。
|
品牌
|
型號
|
描述
|
貨期
|
庫存
|
|
ADI
|
HMC7357
|
GaAs pHEMT MMIC 2 W功率放大器,5.5 - 8.5 GHz
|
現貨
|
120
|
HMC7357LP5GE應該用
-
點對點無線電
-
點對多點無線電
-
VSAT和SATCOM
HMC7357LP5GE優勢和特點
-
Pout:+35 dBm (34% PAE)
-
高P1dB輸出:+34 dBm
-
高輸出IP3: +41.5 dBm
-
高增益: 29 dB
-
50 Ω匹配輸入/輸出
-
電源電壓: Vdd = 8V (1200 mA)
HMC7357LP5GE結構圖
