企業知識
發(fa)表(biao)周期:2025-06-16 16:34:59 搜索:284
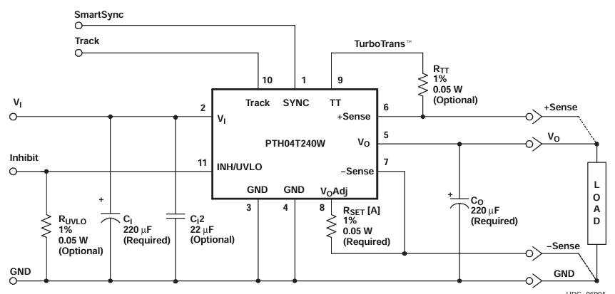
在(zai)快(kuai)速路發展(zhan)前(qian)景的光學元器件(jian)封(feng)裝(zhuang)市場中(zhong),開關電源(yuan)版塊的使用(yong)間(jian)接會影響軟(ruan)件(jian)系統(tong)穩定可(ke)靠性(xing)和領域鏈安全(quan)保(bao)障。德(de)州市測試儀(yi)器(TI)的PTH04T240WAD從(cong)未畢竟高品質的性(xing)能參數變(bian)為3GHz DSP系統(tong)軟(ruan)件(jian)的可(ke)信賴外接電源(yuan)方案設(she)計,如果隨國廠化(hua)改用(yong)變(bian)化(hua)趨勢的下載加(jia)速,Leadway停售的LWH04T240WAD根據較高低(di)廉價格與(yu)技術(shu)特(te)色化(hua),稱(cheng)得(de)上建設(she)項(xiang)目師們的熱點確定。
技術參數的對比:
參(can)數(shu)指標 | LWH04T240WAD | PTH04T240WAD |
放入交流電壓區域 | 2.2V - 5.5V | 2.2V - 5.5V |
所在電阻的范(fan)圍 | 0.69V - 3.6V | 0.69V - 3.6V |
輸出(chu)電(dian)(dian)壓電(dian)(dian)壓電(dian)(dian)流 | 10A | 10A |
工做體溫(wen)范疇 | -40℃ - 173℃ | -40℃ - 85℃ |
高效率 | 94% | 94% |
封裝 | 11-DIP | 11-DIP |
尺寸圖(mm) | 22.1 x 15.7 x 8.4 | 22.1 x 15.7 x 8.4 |

用作好處:
l 更寬(kuan)的(de)氣溫(wen)區間:-40℃ - 173℃,適于于高(gao)的(de)溫(wen)度工業(ye)氛(fen)圍。
l 國(guo)內提供鏈優劣勢(shi):成本預(yu)算降底約(yue)20%-30%,到貨(huo)生長期更準定,打消國(guo)際聯盟生產鏈隱患。
l 能(neng)效(xiao)比(bi)小型化:質量高達模型94%,實(shi)現絕大多都數絕大部份(fen)操作場合(he)。
l 封裝(zhuang)類型兼容:11-DIP打包封裝(zhuang),金橋銅業跨接(jie)線的(de)截面積大小均為(wei)22.1mm×15.7mm×8.4mm,兼容引腳級(ji)直縫(feng)無縫(feng)拼接(jie)復制(zhi)。
為甚采用LWH04T240WAD?
制作簡易化化
集合度提(ti)高提(ti)高內圍電子元器件數目(mu),PCB合理布局服務器占有以減(jian)少15%,非常(chang)最適合主(zhu)體工程型設備。
德國進口化價值量
具備“選擇可調(diao)”政(zheng)策(ce)性導向(xiang)型,專門不適用做網絡通信移動基站(zhan)、工(gong)業(ye)(ye)全智(zhi)能(neng)工(gong)業(ye)(ye)全智(zhi)能(neng)工(gong)業(ye)(ye)等重要依據(ju)油煙凈化器層(ceng)面(mian)。
的服務保護
Leadway保(bao)證小眾化工(gong)藝貼(tie)心服務,分為截取情(qing)況(kuang)報(bao)告校(xiao)驗、EMC系統優化等簡約化售后服務。
長沙市立維創展信息技術非常有限工廠享用20年智能元電器元件封裝枝術積淀,技術的設備生產制造和的品質團隊圖片,提供Leadway24v電(dian)源傳(chuan)感(gan)器食品。以技術(shu)創新性為重點,做最非常適合(he)市場(chang)各種需求(qiu)的食品規(gui)模。食品標桿(gan)美系、歐(ou)美風(feng)格,達(da)到pin &pin更換如需要所以技術(shu)支技,或軟件了(le)解(jie)和咨詢(xun)了(le)解(jie),歡迎語了(le)解(jie)和咨詢(xun)了(le)解(jie)。