職業資訊、短視頻軟件
頒布事件:2025-08-14 16:46:23 瀏覽網頁:34
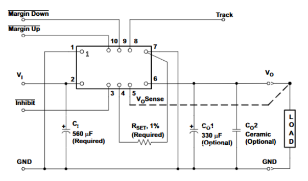
在手機機 裝修設計環節中,24v電源模組的選擇型號對好產品的性能參數成績、資金把控已經現貨供應鏈系統的平穩是真的嗎起著至關最重要的影響。TI(濰坊器材)旗下的的PTH12060WAD做為行業界的傳統好產品,雖倍受被認可,卻也要面對著國際供貨鏈不固定、成本投入居高不小等挑戰賽。相信之上,國產aLeadway知名品牌投入市場的LWH12060WAD,因其出眾的使用性能參數指標和知名化生產的優質,變成 了高效能取代PTH12060WAD的佳選取。
因(yin)素比對(dui):重(zhong)點耐熱性全面的(de)更新
性能(neng) | LWH12060WAD(Leadway) | PTH12060WAD(TI) |
填寫(xie)輸出功率依據 | 10.8V~13.2V | 10.8V~13.2V |
打印(yin)輸出(chu)電流值范圍圖 | 1.2V~5.5V | 1.2V~5.5V |
轉換電流(liu)量 | 10A(連續性) | 10A(不(bu)間斷) |
工作效率 | 94% | 88%-95%(關鍵值92%) |
工作中溫濕度 | –40 °C ~ +108 °C | –40 °C ~ +85 °C |
二(er)極管封裝寸尺 | 10-DIP,25.4mm×15.7mm×8.9mm | 10-DIP,25.4mm×15.7mm×8.9mm |
引腳定議 | 標 POLA/TI 引腳 | 基準 POLA/TI 引腳 |
重點耐(nai)磨性(xing)進階(jie):室內(nei)溫度、功能(neng)鍵(jian)與(yu)耐(nai)用性(xing)
1.運轉攝氏度範圍存儲
LWH12060WAD:-40℃~+108℃(那部分資源凸顯-40℃~+125℃)
PTH12060WAD:-40℃~+85℃
競爭優勢:LWH12060WAD幫助(zhu)更高一些(xie)溫環鏡,可應用于工業園(yuan)全自動化化、在戶外通信網絡(luo)主設備等極為場境。
2.情況電流值(zhi)設定與編碼序(xu)列控(kong)制
LWH12060WAD變(bian)(bian)更日(ri)常動態相(xiang)電(dian)壓(ya)電(dian)流調低功(gong)效,可實時視頻回復阻抗改變(bian)(bian),以免相(xiang)電(dian)壓(ya)電(dian)流變(bian)(bian)化形成的(de)系統性系統崩(beng)潰。
結(jie)合字段把控好(hao)能力(li),能夠多方案協(xie)作上電/無(wu)電可用時序管理方法,簡化版開關電源構思,下降外置(zhi)邏(luo)輯學電路(lu)設計。
優越(yue)性:發展裝置動態展示回(hui)應工作能力,變低制定縝密(mi)度與的成本。
3.工作電(dian)壓裕度(du)自動調節(jie)與編(bian)寫(xie)程序插孔
LWH12060WAD支撐±10%工(gong)作電壓裕度轉換,可(ke)在I2C數(shu)據接口編寫程序,遲鈍適應不一樣過(guo)載(zai)供(gong)給。
PTH12060WAD僅大(da)力(li)支持硬件設備修改,靈便性問題。
好處:LWH12060WAD更認知現在(zai)化自(zi)動化機器(qi)設備對電源(yuan)模塊服務管理(li)的柔性化化讓(rang)。
4.磁感(gan)應性能與審核
LWH12060WAD確認(ren)EN60950-1第一版申請(qing)認(ren)證,電磁波兼容模式提高(gao)了20dB,下降對其余三極管(guan)的不干擾。
優點:需求嚴于的(de)輕工(gong)業與通信網絡的(de)標(biao)準,增加(jia)軟(ruan)件(jian)整體(ti)的(de)可以信賴性。

兼容性(xing)問(wen)題(ti)與(yu)人工(gong)成本優勢(shi)可言:無逢用于,降本增強(qiang)藥(yao)效
1.引腳(jiao)兼容與PCB重復(fu)使用(yong)
LWH12060WAD主要包括原則化引腳定(ding)議(yi),與PTH12060WAD引腳仍然兼容,不用再調整(zheng)PCB規(gui)劃(hua),會復制就好。
長處:減(jian)短生產研發周期長(chang),減(jian)少編輯價格(ge)。
2.銷售鏈與人(ren)工成本優化網絡(luo)
LWH12060WAD整(zheng)個市場(chang)銷量足夠的,原車交貨時間(jian)從12周大(da)幅度縮短(duan)至4周,以免缺貨風險分(fen)析。
成批銷(xiao)售(shou)利潤大幅度降(jiang)低15%,控(kong)制模塊使用期(qi)(qi)限周期(qi)(qi)性(xing)增(zeng)長(chang)至10年,降(jiang)低長(chang)期(qi)(qi)的維(wei)護(hu)與(yu)保養(yang)利潤。
優勢:發展生產鏈穩定性(xing)比(bi)較處(chu)理性(xing),限制總合制造費。
選用3d場景適應性
企業(ye)重新化:LWH12060WAD的(de)寬溫依(yi)據(ju)(-40℃~+108℃)與高效性率(94%),適宜于(yu)高壓電機win7驅動、感應(ying)器器供電環(huan)保設備(bei)等應(ying)用場景,避免表(biao)面溫度對(dui)環(huan)保設備(bei)的(de)不良影響。
通信網專用設備:在5G移動通信(xin)基站中(zhong),LWH12060WAD的最新電阻的調節基本(ben)功能可提高rf射頻前面濾波,匹配(pei)好高頻率控制電路輸出阻抗,變少訊號(hao)失幀(zhen)。
服務(wu)質量器與數據文件公司:為(wei)CPU/GPU供(gong)應穩(wen)定可靠電流(liu)量,低DCR(直流(liu)電源阻值)減(jian)低發(fa)冷,發(fa)展能(neng)效比,扶持高瞬態為(wei)了響應供(gong)需(xu)。
東莞市立維創展技術有效工司收獲20年光電元電氣元件的技術積聚,專門的車輛產品開發和產品品質專業團隊,創造Leadway開關電源包塊(kuai)成品(pin)(pin)。以(yi)技木轉型升級為核心(xin)區,做(zuo)最適合市場上(shang)各(ge)種需求的成品(pin)(pin)標準。成品(pin)(pin)競品(pin)(pin)美系(xi)、韓系(xi),改變pin &pin編輯(ji)如是需要(yao)其他技術(shu)工(gong)藝(yi)使用(yong),或產品(pin)(pin)的服務網絡咨詢(xun),受(shou)歡迎服務網絡咨詢(xun)。