業內訊息
發(fa)部周(zhou)期:2025-08-08 16:46:22 瀏覽網頁:44
在工(gong)業品電壓(ya)設置國內(nei)化(hua)代替下載加速的(de)(de)大動向下,我國公司企業迅(xun)速超出技術設備、升(sheng)級使(shi)用(yong)性(xing)(xing)能(neng)以(yi)滿意高端(duan)大氣的(de)(de)需求。Leadway 驅使(shi)底蘊技術應用(yong)積攢與快捷相(xiang)應效率,推行(xing) LWH12060LAH 電原板(ban)塊,為 PTH12060LAH 可以(yi)提供高穩定性(xing)(xing)、高信得(de)過性(xing)(xing)的(de)(de)原位復制方式(shi)。
一、參數(shu)設(she)置靶向自適應,重(zhong)命名樂無憂(you)
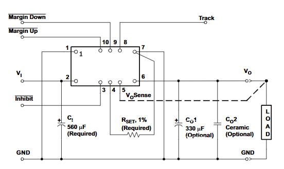
填寫打印(yin)輸出交流(liu)電壓功率配備:LWH12060LAH 與(yu) PTH12060LAH 填(tian)寫工作電(dian)壓范圍內(nei)均為(wei) 10.8V 至 13.2V,輸出的線(xian)電(dian)壓區間皆(jie)是 0.8V 至 1.8V,都支持系統 10A 反復電(dian)流大小打印輸出。這讓替(ti)代(dai)后暫(zan)時(shi)無法更該(gai)原(yuan)系統軟件變(bian)電(dian)設計(ji)的,能(neng)能(neng)夠滿足 FPGA、ASIC 等低(di)電(dian)阻值高(gao)電(dian)壓電(dian)流根據實(shi)際需求,且不(bu)會(hui)為(wei)負載關系軟件系統穩定性高(gao)。
二極管(guan)封裝(zhuang)的尺寸(cun)兼(jian)容:其實(shi)兩者采用了一樣的漆層貼(tie)裝(SMD)封裝形式,圖片(pian)尺寸(cun)也(ye)是(shi) 25.4mm × 15.7mm × 8.9mm,關鍵所在引腳效果(插(cha)入(ru)、讀取等)也(ye)統一,可之間編輯原(yuan) PCB 構造,不需再設置PCB電路板板,達到無縫拼(pin)接(jie)接(jie)入(ru)。
二、的功能性能不對,安全(quan)運作(zuo)
有效控(kong)制玩法相似:均(jun)用于(yu)電流(liu)模式英文(wen)(Voltage-Mode)保持,能(neng)保持比較維(wei)持的交流(liu)電阻(zu)值改善(shan)與動(dong)圖(tu)卡(ka)死,擔保實業開關電源交流(liu)電阻(zu)值比較維(wei)持。
蘇州特色(se)效果(guo)的傳承:LWH12060LAH 遺產繼承了(le) PTH12060LAH 的遠(yuan)戰(zhan)關斷功用,可實現(xian)表面手機信(xin)號操縱停啟,有(you)助(zhu)體系工(gong)作電(dian)壓管(guan)理系統;還都適配 Auto-Track? 順序排列,能簡易化多電(dian)源功能功能微信(xin)同步無法(fa)和電(dian)阻跟(gen)進,以免 電(dian)流受損。

三、身份(fen)認證耐用(yong),茶葉品質有保障(zhang)機制
安(an)全的認(ren)證證書符合標準(zhun):LWH12060LAH 憑借(jie) UL/CSA 身份驗(yan)證,與 PTH12060LAH 驗(yan)證規定相一致(zhi),達(da)到工(gong)農業和工(gong)業APP應急(ji)符合要求。
的性能(neng)評價指標相同:親測 LWH12060LAH 改變有效(xiao)率在 87.5%-88.2%,紋波電壓降 ≤7mV,與原方案功能(neng)該是,保證 用于后(hou)設備(bei)一(yi)級能(neng)效(xiao)和訊號品(pin)質不會影向。
四、成本(ben)預算與供應商鏈優(you)缺點比(bi)較明顯(xian)
單(dan)價(jia)更低:LWH12060LAH 費用比 TI 品牌(pai)低約 30%,能有(you)明顯減低 BOM 成(cheng)本費,提高了品牌(pai)市面 之(zhi)間的核(he)心(xin)競(jing)爭力。
供(gong)貨更加(jia)快:組織保障(zhang)國產(chan)(chan)圖(tu)片(pian)生產(chan)(chan)商鏈,LWH12060LAH 能夠 2 - 4 周高速 交工,規避因國際(ji)級貨(huo)運部或(huo)產(chan)(chan)量變化出(chu)(chu)(chu)現產(chan)(chan)出(chu)(chu)(chu)出(chu)(chu)(chu)現中斷,保駕護航(hang)產(chan)(chan)出(chu)(chu)(chu)間隔性。會選擇(ze)國內生產(chan)(chan)傳感器也適合產(chan)(chan)出(chu)(chu)(chu)鏈安(an)全保障(zhang)戰術,抑制對一個(ge)產(chan)(chan)出(chu)(chu)(chu)商依賴于。
五、實際情況技(ji)術應用核驗可(ke)信
在 12V 手機輸(shu)入、1.8V/10A 輸(shu)出精(jing)度典例過(guo)量空氣系數下,LWH12060LAH 轉化吸收率動態平衡(heng)在 87.5%-88.2%,做到原設置招生指標。且已常(chang)見選用于(yu)電腦(nao)顯卡、服務項(xiang)目器、消(xiao)費(fei)需求類光(guang)電cpu等情景,不靠(kao)譜性和平穩性的(de)有效充(chong)分(fen)的(de)安全驗證(zheng)。
南京市立維創展科技我司有限我司英文我司擁有著20年光電子元配件工藝積累更多,靠譜的的產品技術創新和產品質量公司,推動Leadway開關(guan)電(dian)源模組物料。以水平創新(xin)性為內在,做最適用于(yu)行業市(shi)場現(xian)狀分析的物料規格尺寸(cun)。物料標桿美系、日(ri)系小(xiao)清新(xin),達(da)到(dao)pin &pin代替如必須要(yao) 任意技(ji)術設備蘋果(guo)支持,或物品在線咨(zi)詢了(le)解(jie)。,迎接在線咨(zi)詢了(le)解(jie)。。