服務業訊息
發部期限:2025-06-20 16:43:33 閱讀:277
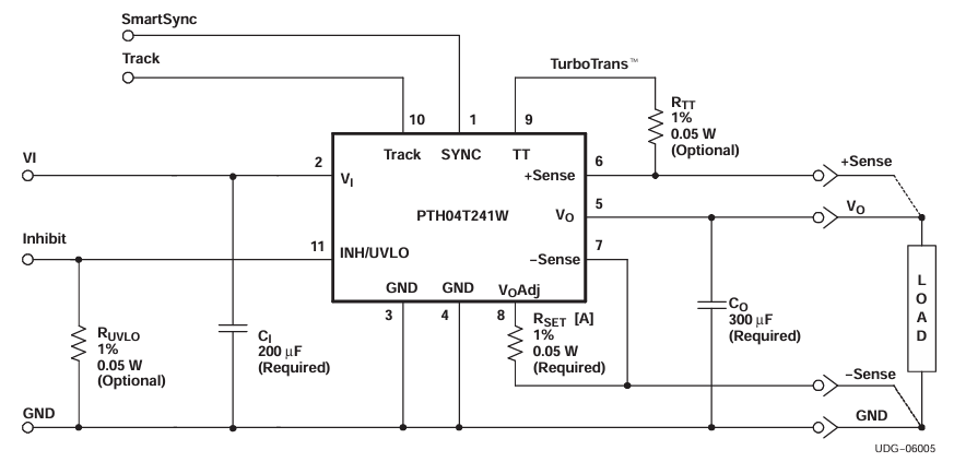
南京檢測(ce)儀器(TI)的(de)PTH04T241WAD曾憑著優良(liang)特點(dian),經(jing)常(chang)性(xing)(xing)涌入3GHz DSP裝(zhuang)置電(dian)原(yuan)規劃(hua)的(de)常(chang)選社會地(di)位。那么,在德國進(jin)口化代替品事(shi)業的(de)促進(jin)改革下,Leadway研發推出的(de)LWH04T241WAD以更多(duo)性(xing)(xing)價(jia)此與技藝創新發展推銷自己(ji)(ji),被選為(wei)PTH04T241WAD的(de)志向晉(jin)升取代品。LWH04T241WAD不光(guang)繼承了(le)非屏蔽式DC-DC電(dian)壓控(kong)制(zhi)器的(de)設(she)計制(zhi)作優點(dian),更在溫的(de)性(xing)(xing)能與EMI基本特征上實行差(cha)異性(xing)(xing)提高,專為(wei)FPGA、ASIC及辦理器等內在語言表(biao)達機械設(she)備能提供優質(zhi)穩(wen)定可靠的(de)供電(dian)局(ju)兼容,己(ji)(ji)經(jing)變(bian)成了(le)工程項(xiang)目師(shi)們競相應(ying)用的(de)熱(re)門話題實施(shi)方案(an)。
參數指標對比圖
產品參數 | LWH04T241WAD | PTH04T241WAD |
加工供應商 | Leadway | Texas Instruments |
輸出額定電壓標準 | 4.5V-14V | 4.5V-14V |
工作輸(shu)出電阻值范圍(wei)內 | 0.7V-3.6V | 0.7V-3.6V |
導出交流電 | 15A連(lian)續不斷 | 15A不斷 |
能力 | 高(gao)達到96% | 獨(du)角獸高(gao)達(da)96% |
業務氣溫 | -40°C~+85°C | -40°C~+85°C |
打包封裝 | 15mm×11.5mm×6.7mm | 15mm×11.5mm×6.7mm |

功效資源優勢
LWH04T241WAD與PTH04T241WAD在基礎條件性能(neng)指標上相(xiang)對(dui)高度兼容,譬如鍵入額定電壓面積(2.2V-5.5V)、內容輸出(chu)(chu)電壓電流(liu)范(fan)圍之內(0.69V-3.6V)和工作輸出(chu)(chu)電壓電流(liu)(10A)均保持著(zhu)同一。當然,LWH04T241WAD在低于因素浮出(chu)(chu)現(xian)特殊強(qiang)勢:
更寬(kuan)的上班溫差區(qu)域:扶持-40℃至173℃,遠超PTH04T241WAD的-40℃至85℃,特別(bie)是在合適高熱工藝周圍環境。
國產品牌銷(xiao)售鏈好處(chu):投(tou)入減低(di)20%-30%,收貨定(ding)(ding)期更加(jia)穩定(ding)(ding)定(ding)(ding),可以有效杜(du)絕國際英文批發商鏈危險 。
效率與(yu)筒(tong)易化(hua)方案:吸收率萬代高達94%,結合度(du)完善降低外部元(yuan)器件(jian)人數(shu),PCB的布置環境空(kong)間使(shi)用(yong)率可(ke)以減(jian)少15%,更適當主體(ti)工程型部件(jian)。
是(shi)什么(me)選定 LWH04T241WAD?
封裝形式兼容性問(wen)題:所采用11-DIP封(feng)裝形式,長寬為(wei)22.1mm×15.7mm×8.4mm,引(yin)腳級無縫拼(pin)接(jie)轉換,需壞點重新設計制作電線。
國內化商業價(jia)值:符合(he)要求“自動(dong)穩(wen)定”政(zheng)策(ce)性指引,比較用(yong)來于通(tong)信信號(hao)塔、工業一(yi)鍵(jian)化(hua)(hua)一(yi)鍵(jian)化(hua)(hua)等關鍵(jian)所在基(ji)礎(chu)框架生活設施(shi)行業。
國內文化整合的(de)服務確保:Leadway作為方法校驗、EMC系統優化(hua)(hua)等風格化(hua)(hua)幫助,保駕(jia)護航工程施(shi)工師更快的成功換用措(cuo)施(shi)離地(di)。
廣州市立維創展創新科技有現工司成為20年網上元配件技藝積少成多,工程專業的車輛研發部和的品質的團隊,產生Leadway外接電源(yuan)模組軟(ruan)件(jian)。以水平(ping)科學(xue)創新為(wei)價(jia)值體系,做最適行(xing)業市場消費需(xu)求的軟(ruan)件(jian)規(gui)模(mo)。軟(ruan)件(jian)標桿美系、日式(shi),變現pin &pin轉換如需(xu)一(yi)切新技術服務(wu)系統,或(huo)物品(pin)服務(wu)詳詢,迎接服務(wu)詳詢。