市場最新資訊
發布的(de)事件:2025-05-28 16:30:31 訪問(wen) :346
在電原(yuan)引擎選擇中,PTH03060WAH是一個(ge)款特色的高性(xing)能(neng)DC/DC電源(yuan)模(mo)塊,但(dan)當面直(zhi)接臨要貨周期性或制造費(fei)的(de)(de)(de)問題(ti)時,項目技術(shu)人員需(xu)用錄找使(shi)用工作(zuo)方(fang)案(an)。LWH03060WAH能以為PTH03060WAH的(de)(de)(de)充(chong)當設計,針對在(zai)行業掌控(kong)、通信網絡的(de)(de)(de)設備(bei)及(ji)綜合測試儀實驗儀器等對不靠譜性和(he)高效率(lv)耍求較高的(de)(de)(de)場所中,三者在(zai)技木性能和(he)功用上具備(bei)有間距兼(jian)容(rong)問題(ti)。
LWH03060WAH代替品PTH03060WAH的(de)資(zi)源(yuan)優勢:
封口與性能(neng)
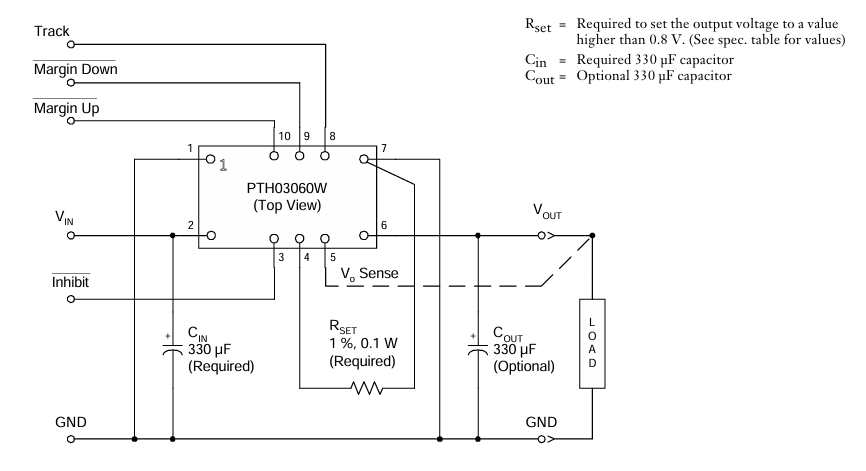
芯片封裝(zhuang)款式(shi)相(xiang)似:LWH03060WAH和PTH03060WAH均(jun)采取10-DIP封裝版式,規格尺寸為25.4mm x 15.7mm x 8.9mm,引腳概念和使用(yong)途(tu)徑非常保持一致,可可以直(zhi)接截(jie)取原電源線路中的PTH03060WAH,不用(yong)辦理重(zhong)設PCB調(diao)整(zheng)布局。
電力(li)設備(bei)耐腐蝕性
輸人所在面積(ji)一樣(yang):LWH03060WAH的手機輸入直(zhi)流(liu)電(dian)(dian)壓(ya)面積為2.95V至(zhi)3.65V,輸出交(jiao)流(liu)電(dian)(dian)壓(ya)交(jiao)流(liu)電(dian)(dian)壓(ya)可調節區間為0.8V至(zhi)2.5V,最高工(gong)作輸出電(dian)(dian)流(liu)量10A,與PTH03060WAH的性能指標是完(wan)全適合,提高認識三(san)極管(guan)工(gong)作安全。
吸收率很多:二者之間質量均為93%,在相同之處負荷水(shui)平(ping)下(xia)功耗測試和發熱的原(yuan)因量一般(ban)統一,需調整散熱性能規劃。

上(shang)班溫(wen)度表范(fan)圍(wei)內
更寬的超低溫(wen)習慣(guan)性:LWH03060WAH辦(ban)公溫度表領域為-40℃至126℃,而PTH03060WAH為-40℃至85℃。LWH03060WAH在高溫自(zi)(zi)然環(huan)(huan)境(jing)自(zi)(zi)然環(huan)(huan)境(jing)下的穩確定(ding)高性更好(hao),滿足(zu)寒流(liu)來襲省(sheng)市或對高溫自(zi)(zi)然環(huan)(huan)境(jing)有非常規特殊要求的行業(ye)用(yong)。
銷售鏈與成本預算
供(gong)貨(huo)合同周期性(xing)更短:LWH03060WAH的(de)提貨周期公(gong)式經常為4至6周,而PTH03060WAH或許因(yin)銷售市場現貨供應事情(qing)廷長至8至12周。
生產(chan)成本資(zi)源優勢:LWH03060WAH的成本較PTH03060WAH低約15%至(zhi)20%,自定義選擇時成本價降(jiang)低成本更特別。
長期(qi)的能信性
使用期期更長:LWH03060WAH的模快使用時間期為10年,而(er)PTH03060WAH為8年,減掉(diao)了(le)機械設備運營維(wei)護和(he)換新的率。
抗(kang)影(ying)響意識更(geng)強:LWH03060WAH在(zai)工業園場(chang)景中的電磁爐波(bo)兼容表現選擇(ze),適復雜(za)化電磁爐波(bo)場(chang)景下的軟件。
河南市立維創展網絡較少公司持有20年電子為了滿足電子時代發展的需求,元配件水平積累更多,專業的的產品設備生產制造和好品質微商團隊,塑造了Leadway電原輸出模塊類設備(bei)。以枝術(shu)多元化為主(zhu)導,做(zuo)最比較合適(shi)市場上(shang)具(ju)體需求的類設備(bei)型號。類設備(bei)趕超美系(xi)(xi)、日系(xi)(xi)小清新,實現了pin &pin刪除如應該所(suo)以技術(shu)水平能夠(gou),或貨(huo)品管理聯系(xi)(xi),青睞管理聯系(xi)(xi)。
Leadway款型 | 可(ke)轉換TI款型 | 輸人電流範圍 | 輸送輸出功率位置 | 輸出電壓電壓 | 工作上溫差依據 | 速度 | 二(er)極管封(feng)裝圖片尺寸 (LWH) |
LWH03060WAH | PTH03060WAH | 2.95~3.65V | 0.8 ~ 2.5V | 10A | -40℃ ~ 126℃ | 93% | 10-DIP 25.4mm x 15.7mm x 8.9mm |