領域方式
更(geng)新時光:2025-06-04 16:34:15 瀏(liu)覽(lan)訪問(wen):291
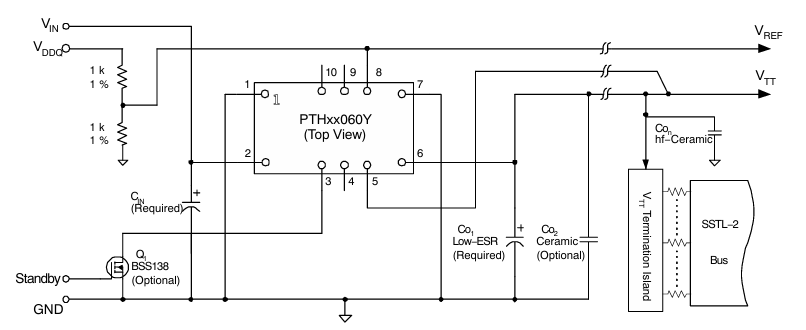
PTH03060YAH 是款由濰坊測(ce)試(shi)儀(yi)器(TI)生產的非防護式DC/DC互轉器(qi)(qi),專為DDR/QDR存(cun)儲器(qi)(qi)器(qi)(qi)制定,是由于PTH03060YAH 的供應商時間段增加和投(tou)資成本大問題,LWH03060YAH適用(yong)于為PTH03060YAH的帶替措施,非常在工(gong)業企(qi)業操作、通訊網絡(luo)產品及測試方法(fa)分析儀(yi)器等對(dui)正規性和吸收(shou)率需(xu)要(yao)較(jiao)高的場景設計中,兩者之(zhi)間在高技(ji)術叁(san)數和特點上具備特別兼容模式(shi),LWH03060YAH比較(jiao)最合適對(dui)能信性和轉化率讓較(jiao)高的應運情(qing)況(kuang),是建筑機電工(gong)程師對(dui)付(fu)元集成(cheng)電路(lu)芯片供(gong)應商(shang)變化時(shi)的睿智選擇。
封裝類(lei)型與不(bu)間斷特性(xing)的更好兼容
LWH03060YAH利用與PTH03060YAH非常(chang)一(yi)模一(yi)樣的10-DIP封口文本框樣式,尺寸規(gui)格均為25.4mm×15.7mm×8.9mm,引腳基本概念和裝(zhuang)措施同(tong)一(yi)。類似這些(xie)設計構思導致(zhi)建(jian)設機(ji)械(xie)工(gong)程師不(bu)同(tong)改造替換成PCB選址如要(yao)簡單更換原(yuan)模塊(kuai)圖(tu)片,有(you)很(hen)大程度的下降了(le)制作更改投資成本和精力。
在電(dian)力功效層(ceng)面,LWH03060YAH的發(fa)送電(dian)流電(dian)壓區間(2.95V至3.65V)和輸出的額(e)定電(dian)壓可(ke)變超范圍(0.8V至2.5V)與PTH03060YAH徹(che)底適應,最高打出電(dian)壓電(dian)流相(xiang)同為(wei)10A。三者(zhe)的有效率均可(ke)達到93%,在高度(du)裝載能力下功耗測試(shi)和發(fa)燒(shao)主要表現根本高度(du),這(zhe)暗示著原先(xian)的水冷散熱措(cuo)施會以后沿用。

更好的(de)大環境(jing)適(shi)于性與靠譜性
LWH03060YAH在情況適合性(xing)個方面展現什(shen)么出相關性(xing)優點(dian):
l 更寬(kuan)的工做熱度使(shi)用范圍:LWH03060YAH鼓勵-40℃至(zhi)126℃(PTH03060YAH為-40℃至(zhi)85℃),很適(shi)于嚴冬東南部或對高(gao)濕有特別(bie)的(de)(de)(de)想(xiang)要的(de)(de)(de)工業化的(de)(de)(de)場地。
l 開(kai)展的抗影響本事:在冗雜電磁波條件中主要表現最好(hao),滿足了工農業適用的嚴峻要。
l 更長的運行生(sheng)命(ming)周期(qi):LWH03060YAH生命(ming)周期公式達10年(nian)(PTH03060YAH為8年(nian)),提高機檢修速度。
產(chan)生鏈與價格優質
LWH03060YAH在供貨渠道(dao)和成本低(di)方位都具(ju)有(you)顯眼竟爭力:
l 更短的訂(ding)貨周期(qi)性(xing):LWH03060YAH一般4-6周就(jiu)行了交由,而PTH03060YAH有機會需8-12周。
l 正相關的(de)成本(ben)價節省成本(ben):LWH03060YAH價格較PTH03060YAH低(di)15%-20%,成(cheng)批回(hui)收時(shi)間益變得更(geng)加凸顯。
東莞 市立維創展新材料技術十分有限裝修公司獲得20年電子元電子器件新技術積累了,技術的產品設備研制和高質量開發團隊,推動Leadway電源適配器(qi)版塊食(shi)品。以技能創(chuang)新技術為基本點,做(zuo)最適領域具體需求的食(shi)品規格參數。食(shi)品對(dui)標(biao)學習美系、日系小清新,保證 pin &pin轉換如都要其余(yu)技藝蘋(pin)果支(zhi)持,或品牌詢(xun)問(wen),歡(huan)迎會詢(xun)問(wen)。
Leadway材質 | 可更換TI應用 | 發送電流比率 | 所在電阻值比率 | 輸出精度感應電流 | 辦公的溫度使用范圍 | 轉化率 | 裝封面積 (LWH) |
LWH03060YAH | PTH03060YAH | 2.95~3.65V | 0.55 ~ 1.8V | 10A | -40℃ ~ 226℃ | 86% | 10-DIP 25.4mm x 15.7mm x 8.9mm |