這個行業信息資訊
公布的時(shi)間:2020-04-28 10:14:31 搜索:1693
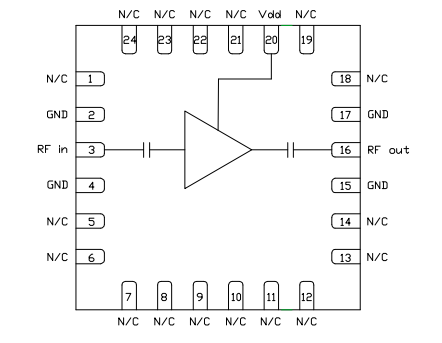
CMD309P4就是一款移動寬帶MMIC低燥聲變小器,主要采用無引線4x4公厘氟塑料外面貼裝裝封。CMD309P4更加更適合微波加熱CD機以其必須 高收獲、低低頻噪音和低能耗的C和X光波采用。寬帶網絡環保設備提拱27噪音分貝增益控制,應當的效果1聲音分貝減少點為+13聲音分貝,燥音指數為1.5音貝。CMD309P4用于50歐姆相配定制,不能不冗余電流控制器和頻射網絡端口相配。

CMD309P4 特性
低燥聲指數公(gong)式
高增(zeng)加收益移(yi)動寬帶功能
低電壓消耗(hao)脂肪
單正偏壓
無鉛RoHs兼(jian)容(rong)4x4 QFN二極管(guan)封裝(zhuang)
珠海市立維創展是(shi)(shi)MMIC的(de)(de)(de)選擇(ze)售賣,包括售賣MMIC新產(chan)品的(de)(de)(de)低(di)噪聲調(diao)大器、驅(qu)動程序調(diao)大器、耗油率調(diao)大器、低(di)相位噪聲調(diao)大器、寬依據勻稱式調(diao)大器,CUSTOM MMIC幫您(nin)的(de)(de)(de)使用同樣的(de)(de)(de)中最好的(de)(de)(de)的(de)(de)(de)MMIC升級優(you)化您(nin)的(de)(de)(de)徽波數字信號鏈。CUSTOM MMIC有的(de)(de)(de)是(shi)(shi)個詳盡(jin)的(de)(de)(de)ISO驗證裝修家居設(she)計師和這類最適宜MMIC銷(xiao)售商(shang)。CUSTOM MMIC出具高效(xiao)提高的(de)(de)(de)高耐(nai)腐蝕性頻(pin)射/微波通(tong)信MMIC品牌類型(xing)。
立維創增添有200只CMD264P3原裝機(ji)機(ji)外盤(pan),質量確(que)保,原裝機(ji)機(ji)進(jin)口報關(guan),的(de)歡迎了解(jie)和(he)咨詢。