服務業介紹
披露時期:2020-04-28 10:15:58 手機瀏覽(lan):1778
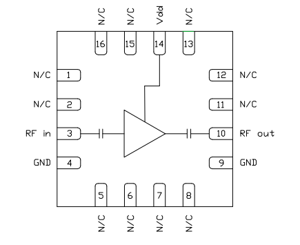
CMD264P3是一(yi)款寬帶MMIC低(di)(di)噪聲放大器,采(cai)用無引線3x3毫(hao)米塑料表面貼裝封(feng)裝。CMD264P3非常(chang)適合需要小(xiao)尺寸和(he)低(di)(di)功耗的電子戰和(he)通信系統。寬帶設(she)備提供大于26db的增(zeng)益,相(xiang)應(ying)的輸(shu)出1db壓縮點為(wei)+12dbm,在10ghz時噪聲系數為(wei)1.6db。CMD264P3采(cai)用50歐姆匹配設(she)計,無需外部直(zhi)流(liu)模塊(kuai)和(he)射(she)頻(pin)端口匹配。

CMD264P3特(te)征(zheng)描述(shu)
極低的噪音(yin)因子(zi)
高收獲(huo)移動寬帶(dai)使用性能
單外接電源電壓降(jiang):63毫安時(shi)+3.0伏
無鉛RoHs兼容3x3 QFN裝(zhuang)封(feng)
東莞 市立維(wei)創展(zhan)是(shi)MMIC的(de)(de)(de)(de)加盟經銷(xiao)商(shang)業(ye)務,主(zhu)要經銷(xiao)商(shang)業(ye)務MMIC廠品的(de)(de)(de)(de)低(di)的(de)(de)(de)(de)吵音調大(da)(da)(da)器、驅(qu)使(shi)調大(da)(da)(da)器、工作電壓調大(da)(da)(da)器、低(di)相位的(de)(de)(de)(de)吵音調大(da)(da)(da)器、寬使(shi)用(yong)范(fan)圍分布不均式調大(da)(da)(da)器,CUSTOM MMIC益處您采用(yong)這類中(zhong)最合適的(de)(de)(de)(de)MMICSEO您的(de)(de)(de)(de)微波(bo)通信警報鏈(lian)。CUSTOM MMIC有的(de)(de)(de)(de)是(shi)個齊全(quan)(quan)的(de)(de)(de)(de)ISO身份認證定制(zhi)師和(he)同種最好MMIC批售商(shang)。CUSTOM MMIC供應高(gao)效成長的(de)(de)(de)(de)高(gao)安全(quan)(quan)性能微波(bo)射頻/微波(bo)加熱MMIC企業(ye)產品產品系列。
立維創(chuang)增(zeng)添有200只(zhi)CMD264P3原裝(zhuang)機(ji)機(ji)現貨(huo)黃金,質量有(you)保(bao)障,原裝(zhuang)機(ji)機(ji)進囗的(de),喜歡諮詢。