HMC634LC4/HMC634LC4TR控制拖動器瓷質表貼封裝 ADI現貨黃金
發布新(xin)聞日子:2018-06-29 11:34:17 搜素:1990
HMC634LC4就是一款GaAs PHEMT MMIC帶動變大器,用到無鉛4x4 mm陶瓷制品表貼封口,崗位速度的時間范圍為5至20 GHz。 該變大器供給高達hg21 dB的收獲、+29 dBm傳輸IP3及+22 dBm的傳輸耗油率(1 dB收獲縮減時),顯卡功耗為180 mA(+5V電)。 HMC634LC4帶動變大器尤其滿足崗位速度的時間范圍為5至20 GHz的紅外光無線數字電適用,電壓值可偏置為+5V (130 mA)以供給較低收獲并改善PAE。 隔直變大器I/O適配50 Ω,不可外表適配開關元件。
|
品牌
|
型號
|
描述
|
貨期
|
庫存
|
|
ADI
|
HMC634LC4
HMC634LC4TR
|
驅動放大器,采用SMT封裝,5 - 20 GHz
|
現貨
|
251
|
應該用
-
點對點無線電
-
點對多點無線電和VSAT
-
混頻器LO驅動器
HMC634LC4優勢和特點
-
增益: 21 dB
-
P1dB: +22 dBm
-
飽和功率:
+23 dBm (17% PAE)
-
單電源電壓: +5V (180 mA)
-
50 Ω匹配輸入/輸出
-
24引腳4x4mm
SMT陶瓷封裝: 16mm2
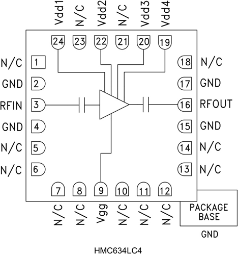
HMC634LC4結構圖
