HMC633LC4/HMC633LC4TR驅動軟件圖像功率放大器平率5.5至17 GHz ADI現貨交易
發部周期:2018-06-29 11:41:51 網頁瀏覽:1854
HMC633LC4就是一款GaAs PHEMT MMIC驅程拖動器,選擇無鉛4x4 mm表貼瓷質封裝形式,任務聲音頻率範圍為5.5至17 GHz。 該拖動器提高高達hg30 dB的收獲控制、+30 dBm打出IP3及+23 dBm的打出電率(1 dB收獲控制降低時),耗電為180 mA(+5V開關電源)。
HMC633LC4驅動包變小器非常的好作業速率時間范圍為5.5至17 GHz的微波通信手機無線電使用,工作電壓可偏置為+5V (130 mA)以提供數據2 dB較低增益值并緩解PAE。 隔直變小器I/O連接50 Ω,不用 外部連接電氣元件。
|
品牌
|
型號
|
描述
|
貨期
|
庫存
|
|
ADI
|
HMC633LC4
HMC633LC4TR
|
驅動放大器,采用SMT封裝,5.5 - 17 GHz
|
現貨
|
269
|
應用
-
一對一wifi電
-
點對精確無線wifi電和VSAT
-
混頻器LO驅動下載器
HMC633LC4優勢和特點
-
增益: 30 dB
-
P1dB: +23 dBm
-
飽和功率:+23.8 dBm (24% PAE)
-
電源電壓: +5V (180 mA)
-
50 Ω匹配輸入/輸出
-
24引腳4x4mmSMT陶瓷封裝: 16mm2
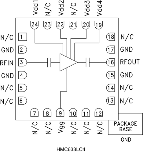
HMC633LC4結構圖
