餐飲行業信息資訊
推送時候:2019-12-24 13:59:45 手機瀏覽(lan):1837
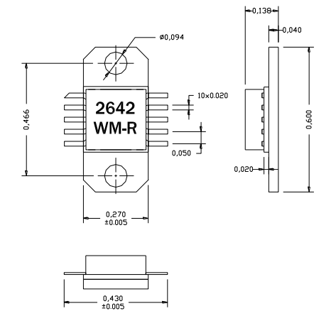
AM264240WM-EM-R是AMCOM的(de)(de)砷化鎵HiFET MMIC功率(lv)放(fang)大器(qi)系列的(de)(de)一部分。這是兩(liang)個(ge)階段GaAs-HIFET-PHEMT-MMIC功率(lv)放(fang)大器(qi)。AM264240WM-EM-R在(zai)輸(shu)入和輸(shu)出端都(dou)與50歐姆完全匹配,覆蓋2.6歐姆至4.2GHz。它有20dB的增益和40dBm的14V輸(shu)出功率射(she)頻和直流引(yin)線位于封裝的較低層,以便于將(jiang)低成(cheng)本的SMT組裝到PC板上。因為直流電(dian)功率大散(san)熱,我(wo)們強烈建議將(jiang)這(zhe)些設備直接安裝在(zai)金屬(shu)散(san)熱片上。AM264240WMFM-R是安裝在(zai)鍍(du)金銅法(fa)蘭(lan)托(tuo)架上的AM264240WM-BM-R。EM包有相同的封裝外形(xing)為FM封裝,采用直引(yin)線和銅/鎢法(fa)蘭(lan)代替銅法(fa)蘭(lan)是法(fa)蘭(lan)上的兩個螺孔,便于擰到金屬(shu)散(san)熱器(qi)上。這(zhe)個MMIC是符(fu)合(he)RoHS的。

AM264240WM-EM-R采用(yong)
PCS稍(shao)稍(shao)有(you)點蜂窩通信基站(zhan)
GPS利(li)用
WiMAX
WLL
10V–15V使用
AM264240WM-EM-R關鍵性(xing)性(xing)能(neng)指標
率:2.6-4.2GHz
增(zeng)益控制(zhi):20
P1dB(DBM):39
PSAT(DBM):40
質(zhi)量:35
VD(V):14
佛山(shan)市立(li)維創展創新科技是AMCOM一(yi)区(qu)二区(qu)亚(ya)洲(zhou)-亚(ya)洲(zhou)国产一(yi)区(qu)二区(qu)三(san)区(qu)-亚(ya)洲(zhou)一(yi)区(qu)在(zai)线播放(fang)-欧美午夜精品(pin)總加盟代理,其大(da)部(bu)分(fen)徽波移(yi)動寬(kuan)帶成品(pin)主要包括頻射氯化鈉晶體管、MMIC耗油率圖(tu)(tu)像調(diao)大(da)儀、交織圖(tu)(tu)像調(diao)大(da)儀控制器(qi)(qi)電(dian)源、網(wang)絡帶寬(kuan)圖(tu)(tu)像調(diao)大(da)儀、高耗油率圖(tu)(tu)像調(diao)大(da)儀控制器(qi)(qi)電(dian)源、帶RF和DC連入器(qi)的高功(gong)效縮放器(qi)傳感器(qi)和低噪(zao)音污染(ran)縮放器(qi),功(gong)效縮放器(qi),面板開關,衰減(jian)器(qi),移(yi)相器(qi)及其上/下方直流變(bian)頻器這一物件的制定。