制造行業咨詢
披露時間:2019-12-24 14:09:04 觀看(kan):1876
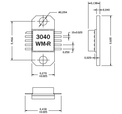
AM304031WM-EM-R是(shi)AMCOM的(de)(de)砷化鎵(jia)MMIC功率(lv)放大器系列的(de)(de)一部分。它有(you)31分貝的(de)(de)增益和(he)(he)31在2.6到(dao)4.8GHz頻(pin)帶(dai)上(shang)(shang)的(de)(de)dBm飽(bao)和(he)(he)輸出功率(lv)。這個MMIC是(shi)一個陶瓷封(feng)裝(zhuang),射頻(pin)和(he)(he)直流(liu)都有(you)在較低(di)層次的(de)(de)封(feng)裝(zhuang),以促進低(di)成(cheng)本的(de)(de)SMT組(zu)裝(zhuang)到(dao)PC板。由于(yu)高直流(liu)功耗,我們建議將這些設備直接安裝(zhuang)在金屬散熱器上(shang)(shang)。AM304031WM-FM-R是(shi)AM304031WM-BM-R安裝(zhuang)在鍍金銅法(fa)(fa)(fa)蘭托架上(shang)(shang)。法(fa)(fa)(fa)蘭上(shang)(shang)有(you)兩個螺孔便于(yu)擰上(shang)(shang)金屬散熱器。AM304031WM-EM-R有(you)一個CuW法(fa)(fa)(fa)蘭,是(shi)正在逐步淘汰的(de)(de)AM304031WM-FM-R。這個MMIC是(shi)符合(he)RoHS的(de)(de)。

AM304031WM-EM-R使用(yong)
wifi互(hu)連網對(dui)接
wifi當地(di)環路
帶寬無線網絡連入(ru)(BWA)
AM304031WM-EM-R關鍵性參數指標
幀率:2.6-4.6GHz
增加收益:31
P1dB(DBM):32
PSAT(DBM):32.5
能力:25
VD(V):8
上海(hai)市立維(wei)創(chuang)展科技開發是AMCOM集團(tuan)總加盟,其其主(zhu)要紅(hong)外光網絡帶寬企業產品還有(you)頻射單晶體管、MMIC最(zui)大(da)工(gong)率(lv)放縮器、混合(he)型喂養放縮器板塊、網絡帶寬放縮器、高最(zui)大(da)工(gong)率(lv)放縮器板塊、帶RF和DC連接(jie)方式器的高(gao)熱效率增(zeng)(zeng)加器引擎和低(di)噪音(yin)分貝增(zeng)(zeng)加器,熱效率增(zeng)(zeng)加器,電源開關(guan),衰減器,移相器及上/接下來變頻式器的環保定(ding)制家具。