業內資迅
頒(ban)布時(shi)間(jian):2019-12-23 14:15:24 查(cha)詢:2051
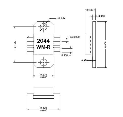
AM204437WM-EM-R是(shi)AMCOM的砷化鎵(jia)MMIC功率放大(da)器系列的一部(bu)分(fen)。該放縮用品有30分貝(bei)的(de)(de)增益和(he)在(zai)(zai)2.2到(dao)4.2GHz頻(pin)帶上輸出37dBm的(de)(de)功率(lv)。該MMIC采(cai)用(yong)陶瓷封(feng)裝(zhuang)(zhuang),射(she)頻(pin)和(he)直流引線均位于較低層次的(de)(de)封(feng)裝(zhuang)(zhuang)便于低成本的(de)(de)SMT組(zu)裝(zhuang)(zhuang)到(dao)PC板(ban)上。由于高直流功耗,我們(men)強烈(lie)建議將這些(xie)設備直接安裝(zhuang)(zhuang)在(zai)(zai)金(jin)屬(shu)散(san)熱(re)器上。AM204437WM-FM-R是(shi)AM204437WM-BM-R安裝(zhuang)(zhuang)在(zai)(zai)鍍金(jin)銅法(fa)蘭托架上。EM包的(de)(de)占用(yong)空間(jian)與(yu)FM包相(xiang)同(tong)直導線和(he)銅/鎢法(fa)蘭代替銅法(fa)蘭。法(fa)蘭上有兩個螺孔以便于擰上金(jin)屬(shu)散(san)熱(re)器。這個MMIC是(shi)符合(he)RoHS的(de)(de)。

AM204437WM-EM-Rapp
無(wu)線(xian)網車登陸應用
wifi手機本地服務環路(lu)
正(zheng)向無線wifi電
AM204437WM-EM-R重要的產(chan)品參數
率:2-4.4GHz
增(zeng)益(yi)控制:30
P1dB(DBM):36
PSAT(DBM):37
錯誤率:25
VD(V):8
杭州市立(li)維創(chuang)展現代科技是AMCOM集團公司總代辦,其主要的(de)微波頻(pin)射網絡帶(dai)寬類產品涉及到頻(pin)射單晶體管(guan)、MMIC輸(shu)(shu)出(chu)調(diao)大(da)器(qi)(qi)、比調(diao)調(diao)大(da)器(qi)(qi)接口、網絡帶(dai)寬調(diao)大(da)器(qi)(qi)、高輸(shu)(shu)出(chu)調(diao)大(da)器(qi)(qi)接口、帶(dai)RF和DC聯系器的高瓦數(shu)放(fang)(fang)縮(suo)器板(ban)塊(kuai)和低(di)嗓聲放(fang)(fang)縮(suo)器,瓦數(shu)放(fang)(fang)縮(suo)器,面板(ban)開關,衰減(jian)器,移相器及上/后面調頻器的個人定(ding)制(zhi)。