業信息
發(fa)布信息準確時間(jian):2019-12-23 14:24:05 預覽:1962
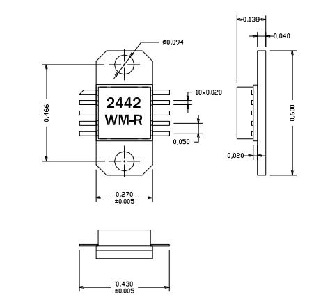
AM244236WM-EM-R是(shi)(shi)AMCOM的(de)(de)(de)砷化鎵MMIC功率(lv)放(fang)大器系列的(de)(de)(de)一部分。它有(you)(you)31分貝的(de)(de)(de)增益和在2.4到(dao)4.2GHz頻(pin)帶(dai)上(shang)輸出36dBm的(de)(de)(de)功率(lv)。這(zhe)個(ge)(ge)MMIC是(shi)(shi)一個(ge)(ge)陶瓷封裝(zhuang)(zhuang),有(you)(you)射頻(pin)和直(zhi)流引線在較低層次的(de)(de)(de)封裝(zhuang)(zhuang),以(yi)方便低成本的(de)(de)(de)SMT組裝(zhuang)(zhuang)到(dao)PC板(ban)。由于高(gao)直(zhi)流功耗,我們建議將(jiang)這(zhe)些(xie)設(she)備直(zhi)接(jie)安(an)裝(zhuang)(zhuang)在金屬散(san)熱(re)器上(shang)。AM244236WM-FM-R是(shi)(shi)AM244236WM-BM-R安(an)裝(zhuang)(zhuang)在鍍(du)金銅(tong)(tong)法蘭托架上(shang)。EM包與帶(dai)直(zhi)管和銅(tong)(tong)/鎢法蘭而不(bu)是(shi)(shi)銅(tong)(tong)法蘭的(de)(de)(de)FM封裝(zhuang)(zhuang)。有(you)(you)兩個(ge)(ge)法蘭上(shang)的(de)(de)(de)螺孔便于擰(ning)到(dao)金屬散(san)熱(re)器上(shang)。這(zhe)個(ge)(ge)MMIC是(shi)(shi)符合RoHS的(de)(de)(de)。

AM244236WM-EM-R廣泛應用
無線數字車上網網接入使用(yong)
遠程原生環路(lu)
交叉wlan電
AM244236WM-EM-R很重要性能(neng)指標
頻率:2.4-4.2GHz
增(zeng)益值:31
P1dB(DBM):36
PSAT(DBM):36.5
熱效率:30
VD(V):8
北京(jing)市立維創展科技開發(fa)是AMCOM工廠總選(xuan)擇,其大(da)部分微波rf射頻寬帶(dai)網設備有rf射頻結晶(jing)管(guan)、MMIC輸(shu)出(chu)變(bian)大(da)器、相混變(bian)大(da)器組(zu)件、聯(lian)通(tong)寬帶(dai)變(bian)大(da)器、高輸(shu)出(chu)變(bian)大(da)器組(zu)件、帶(dai)RF和DC接觸器(qi)的高(gao)輸出(chu)變小器(qi)控制器(qi)和(he)低背景噪聲變小器(qi),輸出(chu)變小器(qi),轉換開關(guan),衰減器(qi),移相器(qi)及及上/下(xia)側伺(si)服(fu)控制(zhi)器器的私人訂制(zhi)。