產業介紹
推送時:2019-12-20 15:27:36 挑選:1916
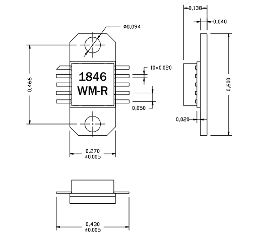
AM184635WM-EM-R是(shi)(shi)AMCOM的(de)砷(shen)化鎵MMIC功率(lv)放大器(qi)系列的(de)一(yi)部分。它有30dB增益(yi)和35dBmP1dB,在(zai)(zai)2.2到4.2GHz頻段。這(zhe)(zhe)個MMIC是(shi)(shi)一(yi)個陶瓷封(feng)裝(zhuang),射頻和直(zhi)流引線(xian)都在(zai)(zai)較低的(de)水平便于(yu)低成(cheng)本的(de)SMT組(zu)裝(zhuang)到PC板上(shang)。當直(zhi)接安(an)裝(zhuang)到PCB上(shang)時,請參見申(shen)請說(shuo)明(ming)AN700。由于(yu)高(gao)直(zhi)流功耗(hao),我們強烈建議安(an)裝(zhuang)這(zhe)(zhe)些設備(bei)直(zhi)接安(an)裝(zhuang)在(zai)(zai)金屬散熱器(qi)上(shang)。AM184635WM-FM-R是(shi)(shi)安(an)裝(zhuang)在(zai)(zai)鍍金銅(tong)法蘭托架。EM封(feng)裝(zhuang)與FM封(feng)裝(zhuang)具有相同的(de)封(feng)裝(zhuang)尺寸,采(cai)用直(zhi)引線(xian)用銅(tong)/鎢法蘭代替銅(tong)法蘭。法蘭上(shang)有兩個螺孔,以便擰上(shang)金屬散熱器(qi)。這(zhe)(zhe)個MMIC是(shi)(shi)符合RoHS的(de)。

AM184635WM-EM-R特點
從1.8到4.6GHz的帶(dai)寬(kuan)
高輸出精度額定功率,P1dB=35dBm
高增益值,30dB
基本篩選;50歐(ou)姆設置/輸出電壓阻(zu)抗匹配
AM184635WM-EM-R應運
移動網絡網是接(jie)入
遠程本市環路
雙相無限電(dian)
AM184635WM-EM-R重要性主(zhu)要參數
速率:1.8-4.6GHz
增益值(zhi):30
P1dB(DBM):35
PSAT(DBM):37
有效(xiao)率(lv):25
VD(V):7
武漢(han)市立(li)維創展(zhan)科(ke)學是AMCOM工司總一級代理,其重要(yao)微(wei)波(bo)加熱帶(dai)寬軟件涉(she)及到(dao)微(wei)波(bo)射頻多晶體管(guan)、MMIC最大(da)最大(da)功(gong)率變小器(qi)(qi)(qi)、比(bi)調變小器(qi)(qi)(qi)板(ban)塊、寬帶(dai)網絡變小器(qi)(qi)(qi)、高(gao)最大(da)最大(da)功(gong)率變小器(qi)(qi)(qi)板(ban)塊、帶(dai)RF和DC無線聯接器(qi)的高(gao)輸出擴(kuo)大(da)器(qi)電源模(mo)塊和低的噪音擴(kuo)大(da)器(qi),輸出擴(kuo)大(da)器(qi),啟閉,衰減器(qi),移(yi)相器(qi)并(bing)且上/底下變頻(pin)式器的私人訂(ding)制。