制造行業咨詢
更新時(shi)期:2019-12-20 15:13:37 訪問:1810
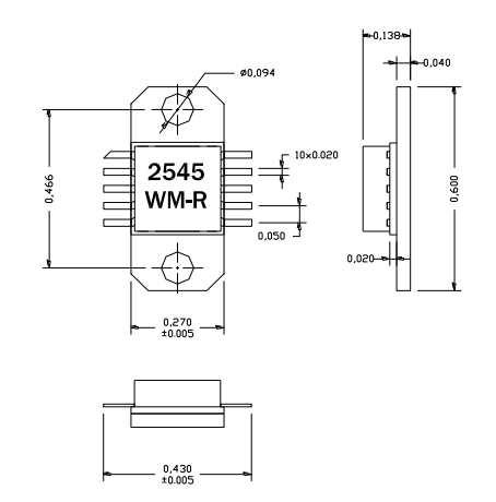
AM254540WM-EM-R是(shi)AMCOM的(de)(de)(de)砷化鎵(jia)HiFET MMIC功(gong)率(lv)放大(da)器(qi)系列的(de)(de)(de)一部分。這(zhe)么高效(xiao)率(lv)MMIC是(shi)一個(ge)(ge)(ge)(ge)2級(ji)GaAs-pHEMT功(gong)率(lv)放大(da)器(qi),偏置電壓為10~13V。輸入和級(ji)間匹配(pei)網絡覆蓋2.5到(dao)4.5GHz。這(zhe)個(ge)(ge)(ge)(ge)MMIC需要輸出外部匹配(pei)到(dao)您(nin)感興(xing)趣的(de)(de)(de)波段(duan)之間2.5GHz至4.5GHz提供(gong)最(zui)大(da)帶寬靈(ling)活性。例如(ru),一個(ge)(ge)(ge)(ge)可用的(de)(de)(de)評估委員會在(zai)12V的(de)(de)(de)3.4到(dao)3.6GHz頻(pin)帶上(shang)(shang)具有超過(guo)17dB的(de)(de)(de)增益、10瓦(wa)(40dBm)的(de)(de)(de)飽和輸出功(gong)率(lv)。該(gai)MMIC是(shi)一個(ge)(ge)(ge)(ge)陶(tao)瓷封裝(zhuang)(zhuang)(zhuang),在(zai)較(jiao)低(di)的(de)(de)(de)封裝(zhuang)(zhuang)(zhuang)層次(ci)上(shang)(shang)有射(she)頻(pin)和直流(liu)引線,以便于低(di)成(cheng)本(ben)SMT組件到(dao)PC板。當(dang)直接安(an)(an)裝(zhuang)(zhuang)(zhuang)到(dao)印刷電路板上(shang)(shang)時,請參閱應用說(shuo)明(ming)AN700。由于高直流(liu)功(gong)耗,我(wo)們(men)強(qiang)烈建議(yi)將這(zhe)些設備直接安(an)(an)裝(zhuang)(zhuang)(zhuang)在(zai)金屬散熱片上(shang)(shang)。AM254540WM-FM-R是(shi)安(an)(an)裝(zhuang)(zhuang)(zhuang)在(zai)鍍金銅法(fa)(fa)蘭(lan)托架上(shang)(shang)的(de)(de)(de)AM254540WM-BM-R。新興(xing)市場(chang)封裝(zhuang)(zhuang)(zhuang)與FM封裝(zhuang)(zhuang)(zhuang)具有相同的(de)(de)(de)占地面(mian)積(ji),采用直引線和銅/鎢法(fa)(fa)蘭(lan)代替銅法(fa)(fa)蘭(lan)。法(fa)(fa)蘭(lan)上(shang)(shang)有兩個(ge)(ge)(ge)(ge)螺(luo)孔,便于擰到(dao)金屬散熱器(qi)上(shang)(shang)。這(zhe)個(ge)(ge)(ge)(ge)MMIC是(shi)符合(he)RoHS。

AM254540WM-EM-R本質(zhi)特征
工(gong)作(zuo)頻率軟件從2.5到4.5GHz
高導(dao)出工(gong)作(zuo)功率,P1dB=38dBm
高增(zeng)益值(zhi)>17dB
從2.5到4.5GHz相匹配的(de)鍵入
高(gao)效率的>35%
AM254540WM-EM-R運用(yong)
WiMAX單(dan)位(wei)
MMDS
有線(xian)局域中繼器(qi)
12V用
AM254540WM-EM-R重點產(chan)品參數
頻(pin)繁 :2.5-4.5GHz
收獲:17
P1dB(DBM):38
PSAT(DBM):39
質(zhi)量:35
VD(V):12
鄭州市立維創展科枝(zhi)是AMCOM一(yi)区(qu)二区(qu)亚(ya)洲(zhou)(zhou)-亚(ya)洲(zhou)(zhou)国产一(yi)区(qu)二区(qu)三区(qu)-亚(ya)洲(zhou)(zhou)一(yi)区(qu)在线播(bo)放(fang)-欧美午夜(ye)精品總批(pi)發商(shang),其主(zhu)要是微波(bo)通(tong)信(xin)寬(kuan)帶網絡服務也包括微波(bo)射(she)頻尖晶(jing)石管、MMIC工率(lv)縮(suo)(suo)放(fang)器(qi)、融合縮(suo)(suo)放(fang)器(qi)組件、移(yi)動(dong)寬(kuan)帶縮(suo)(suo)放(fang)器(qi)、高工率(lv)縮(suo)(suo)放(fang)器(qi)組件、帶RF和DC對接(jie)器(qi)(qi)(qi)的高電(dian)輸出功(gong)率(lv)縮放(fang)器(qi)(qi)(qi)版塊和低躁音縮放(fang)器(qi)(qi)(qi),電(dian)輸出功(gong)率(lv)縮放(fang)器(qi)(qi)(qi),按(an)鈕,衰減(jian)器(qi)(qi)(qi),移相(xiang)器(qi)(qi)(qi)和上(shang)/下側調頻器的訂制(zhi)。