服務業方式
發布新聞日期:2019-12-16 14:36:46 手機瀏覽(lan):2589
HMC609LC4是ADI的單片低噪聲放大器,其頻率范圍為2-4GHz。它在整個工作頻段具有良好的平坦性能,包括20db的小信號增益、3.5db的噪聲系數和36.5dbm的輸出IP3。50Ω匹配放大器不需要任何外部匹配元件。HMC609LC4用到大體積設備棒技術設備開發,頻射IO隔離霜進一歩集成化。
HMC609LC4用途行(xing)業領域為(wei)比較固定(ding)微波射頻、公(gong)測(ce)(ce)和精確測(ce)(ce)量(liang)設施、聲(sheng)納和感測(ce)器(qi)(qi)器(qi)(qi)、軍隊(dui)和太空站等(deng)
HMC609LC4決定性性能指標:
頻帶寬度:2 - 4GHz
增加收益(yi):20
OIP3:36.5
低躁音標準(zhun)值: 3.5 dB

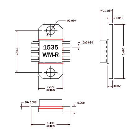
AM153540WM-EM-R是AMCOM的(de)砷化鎵(jia)片式電功(gong)率縮放(fang)(fang)器。縮放(fang)(fang)器與50歐姆放(fang)(fang)入和(he)輸出高品質適應(ying),覆蓋(gai)率1.5至3.5赫茲。該單支(zhi)整合(he)用(yong)電線路在14V下有著21db的(de)增加(jia)收(shou)益和(he)38.5dbm的(de)傳輸額定功(gong)率,與封(feng)口下方的(de)質量面(mian)共(gong)面(mian),為高收(shou)益費用(yong)的(de)貼片裝(zhuang)配到PC板作(zuo)為了根基。猶豫(yu)高交流電功(gong)能消耗,我們都劇烈覺得將此的(de)設備(bei)簡單按裝(zhuang)在黑色金(jin)屬水冷(leng)器上。FM部件是配置在銅(tong)法蘭部支(zhi)地上的(de)BM零(ling)部件。EM封(feng)裝(zhuang)與FM二(er)極管封(feng)裝(zhuang)一(yi)致,按照鉛(qian)和(he)銅(tong)鎢卡箍片部取代銅(tong)卡箍片部。卡箍片部面(mian)有兩(liang)人螺孔(kong),更方便擰(ning)到合(he)金(jin)金(jin)屬水冷(leng)器上。該MMIC是非常符合(he)RoHS的(de)。
AM153540WM-EM-R選用范(fan)圍為PCS通(tong)信(xin)基站、GPS技術應用、MMDS、無線網絡局域(yu)中(zhong)繼(ji)器和10V–16V利用等
AM153540WM-EM-R比(bi)較重要技術參數:
平率:1.5-3.5GHz
增益值:18
P1dB(DBM):39
PSAT(DBM):39.5
生(sheng)產(chan)率:35
VD(V):14
AMCOM變小器的品牌度比(bi)不上ADI,但AMCOM也(ye)是展覽(lan)被(bei)認可的(de)大加盟(meng)品牌,水平與(yu)的(de)效(xiao)率還(huan)可以與(yu)ADI相比較較,最具優越(yue)的(de)一方面是AM153540WM-EM-R圖像放大電路的費用比HMC609LC4兼具絕對的(de)的(de)的(de)優勢,頻段相匹配(pei)、都在高(gao)質量性(xing)企業產品。