業新聞
頒布用(yong)時:2019-12-18 14:27:00 看:1886
HMC413是ADI的一種頻率范圍為1.6~2.2ghz的提高工作效率率異質結雙極單晶體管MMIC馬力擴大器。成本低的預算,表面層貼裝16針封裝類型,裸底托,改善微波射頻和性溫能。它采用越來越少的外觀器件來可以提供23db的增益值,達到飽和狀態工作效率為29.5dbm(42%PAE),外接電源直流電壓為5v。拖動器還能夠與3.6V電源適配器來工作中。VPD可以選擇于費電玩法或微波射頻的輸出馬力電壓管控。
HMC413的利用具有:蜂窩(wo)PCS3G、攜便式產品和基礎知識的設(she)施、無線數(shu)字本地服務環路(lu)等。
HMC413很重要(yao)運(yun)作(zuo):
平率:1.6G - 2.2G
增益控(kong)制:22
OIP3:40

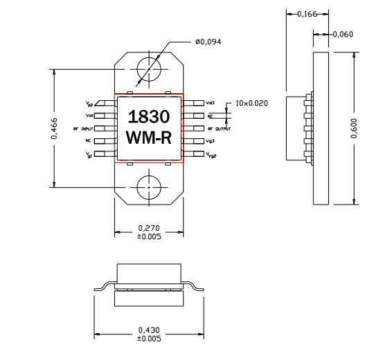
AM183030WM-EM-R是amcom的GaAs-MMIC瓦(wa)數縮放(fang)(fang)器(qi)(qi)。該縮放(fang)(fang)器(qi)(qi)在(zai)1.6~3.3ghz頻段內,增加(jia)收益為(wei)30.5db,打印(yin)輸出(chu)工(gong)作功率(lv)為(wei)30.5dbm。為(wei)更好地(di)高(gao)(gao)產出(chu)投(tou)入SMT拼裝(zhuang)到PC板上,本發名是指一些低層打包封口中頻射和直流變壓器(qi)(qi)電源引線的瓷磚打包封口。伴隨直流變壓器(qi)(qi)電源功耗(hao)測試高(gao)(gao),提議將以上機就直接組裝(zhuang)在(zai)金屬制,散熱(re)處理器(qi)(qi)上。
AM183030WM-EM-R的(de)適用這個領(ling)域(yu)屬于(yu):手機(ji)無線(xian)數字(zi)在網絡上、手機(ji)無線(xian)數字(zi)原生環路和MMDS
AM183030WM-EM-R決(jue)定性規格
頻帶寬(kuan)度:1.6-3.3GHz
收獲:30.5
P1dB(DBM):30.5
PSAT(DBM):31.5
速率(lv):20
VD(V):8
AM183030WM-EM-R放縮器與HMC413變(bian)小器的工作(zuo)頻率和可(ke)用于各(ge)個領域貼近,這(zhe)各(ge)款變(bian)小器是可(ke)互不(bu)當做的,可(ke)在價(jia)額上卻(que)差別眾多,AM183030WM-EM-R調大器極有房價(jia)的優勢(shi),質量管理高效能穩定,佛山(shan)市立維(wei)創展(zhan)科(ke)技公司是AMCOM與ADI公司(si)的的代經(jing)銷(xiao)處商,展(zhan)示 AMCOM與ADI的紅外光元(yuan)電子(zi)電子(zi)原件(jian)和集成塊,歡迎(ying)辭資詢。