行業內內容
分(fen)享(xiang)時間(jian)(jian)間(jian)(jian)隔:2019-11-19 16:16:38 訪問 :2116
ADI品牌的HMC系列功率放大器是國內外使用最多的一系列產品放大器,該放大器的適用頻率及應用范圍廣泛,一般都屬于高頻率放大器,但是頻率0.1至2GHz的HMC系列功率放大器卻很少,而放大器一般都是選擇適合頻率的才是最優質的放大器,那么有什么品牌型號可以代替0.1至2GHz寬帶放大器呢?

AMCOM集團是美國的出名大(da)型廠(chang),在西方的地區實力(li)大(da)受(shou)市政技術員歡迎大(da)家,可相對(dui)比ADI名牌就很輸,AMCOM子公司以上沿(yan)微波通信(xin)規劃背(bei)景,為高度(du)買家保(bao)證電(dian)率結晶管、MMIC擴大(da)器等集成電(dian)路(lu)芯片與組件(jian)貨品。從今天就(jiu)來(lai)的介紹精致頻帶(dai)寬度(du)C頻譜低噪音源帶寬電功(gong)率變大器
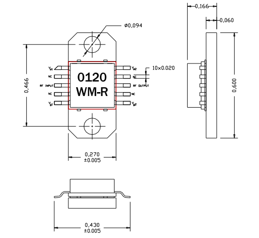
AM012020WM-EM-R是(shi)AMCOM項目的低(di)躁(zao)音(yin)光纖(xian)寬帶電(dian)率增加(jia)器(qi),該放縮器享有20dBm的過剩傷害額(e)定功率(lv)和30dB的高增加(jia)收益,低躁音安全性能擁有截然符(fu)合的50歐姆(mu)導入(ru)/傳輸電阻值,該MMIC包括陶瓷圖片二極管封裝,RF直流變壓器(qi)引線坐落封口(kou)的(de)較低層,易(yi)于(yu)將(jiang)低資金(jin)的(de)SMT拆卸到PC板(ban)上
AM012020WM-EM-R低噪音分貝光纖寬帶工率增加(jia)器可軟(ruan)件(jian)應用于儀表板、血細胞(bao)帶、雙線無線數字電、移動寬帶接收入器和(he)C頻譜VSAT
AM012020WM-EM-R根本性能指標
平(ping)率:0.1-2GHz
增益控制:30
P1dB(DBM):16
PSAT(DBM):17
錯誤率(lv):8
VD(V):8
廣州市立維(wei)創展科技(ji)創新是(shi)(shi)AMCOM機構總加盟,注意出(chu)具微波頻射(she)光纖寬(kuan)帶(dai)的(de)產品(pin)涉(she)及到頻射(she)晶狀體(ti)管、MMIC電效(xiao)率放小器(qi)(qi)、分層放小器(qi)(qi)模(mo)組、寬(kuan)帶(dai)網放小器(qi)(qi)、高(gao)電效(xiao)率放小器(qi)(qi)模(mo)組、帶(dai)RF和DC連結器(qi)(qi)的(de)高(gao)輸(shu)出(chu)變(bian)小器(qi)(qi)包塊和低躁(zao)聲(sheng)變(bian)小器(qi)(qi),輸(shu)出(chu)變(bian)小器(qi)(qi),按鈕開關,衰(shuai)減器(qi)(qi),移相(xiang)器(qi)(qi)或是(shi)(shi)上/下方變(bian)頻柜器(qi)(qi)的(de)設計(ji)。