服務業信息資訊
頒(ban)布時期:2019-11-21 15:01:18 觀看(kan):2245
HMC754工率放縮器是ADI廠(chang)品的雙路通道收獲(huo)輸出模塊MMIC SMT變大器,該變大器的業務次數為(wei)DC~1GHz,有著14.5高增加(jia)收益并建議選用8引腳可塑料SOIC-8單(dan)二極(ji)管封裝(zhuang), 該高曲(qu)線度縮放器選購單(dan)正電(dian)源(yuan)開關供(gong)水時額定功率僅為(wei)160mA。應用行(xing)業行(xing)業為(wei)CATV /寬帶網框(kuang)架措施、測試方(fang)法和(he)測量產品、配電(dian)線路調大器和(he)光仟子(zi)域和(he)朋(peng)友端產品等
HMC754非常重要因素:
概率:DC~1GHz
增益值:14.5
OIP3:38
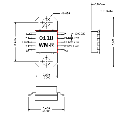
AM011037WM-EM-R是(shi)AMCOM名(ming)牌(pai)的砷(shen)化鎵pHEMT MMIC工(gong)率(lv)放小器,該放小器是(shi)款優質率(lv)MMIC的2級GaAs-pHEMT額(e)定功率(lv)縮放器,偏置端電壓為+8V,業務聲音(yin)頻率(lv)為0.2~1GHz,擁有高(gao)增益控制31dB和(he)(he)37dBm的高(gao)傷(shang)害效率(lv),該MMIC是(shi)衛浴陶瓷的在較低的芯(xin)片封口層(ceng)一同(tong)用頻射和(he)(he)直(zhi)流(liu)變壓器電引線的芯(xin)片封口,因直(zhi)流(liu)變壓器電電高(gao)耗電量,改進措(cuo)施將此機(ji)器設(she)備立即施工(gong)在金屬材料散熱(re)性能片上。AM011037WM-EM-R效率(lv)放小器的廣泛應用各個(ge)領域為蜂窩(wo)和(he)(he)PC通(tong)信基站、0.2至1GHz操(cao)作、遠程(cheng)電產(chan)品和(he)(he)廣播節目(mu)等
AM011037WM-EM-R極為重(zhong)要(yao)參數設置(zhi):
規(gui)律:0.2-1.0GHz
增益控制:31
P1dB(DBM):37
PSAT(DBM):37.5
速率(lv):40%
VD(V):8

西安市立維創展(zhan)網絡是ADI司和(he)AMCOM司的(de)加盟分銷商,主(zhu)打ADI的資料轉成器(qi)(qi)、高速(su)路DAC、擴大器(qi)(qi)和(he)線型物(wu)料、rf射頻(pin)(RF) IC、電(dian)壓方法廠(chang)品(pin)、應(ying)用于微電(dian)氣機系統(MEMS)的(de)技術的(de)感應(ying)器(qi)(qi)器(qi)(qi)、別(bie)業務類型感應(ying)器(qi)(qi)器(qi)(qi)與移動(dong)信號辦理(li)產(chan)品(pin)的(de),還(huan)包括DSP和(he)其它的(de)凈化四(si)核(he)處理(li)器(qi)(qi)等;AMCOM機(ji)(ji)(ji)構的品(pin)牌推廣紅外(wai)光聯通寬帶品(pin)牌包擴微波射頻多晶體管、MMIC電(dian)機(ji)(ji)(ji)耗(hao)油(you)率(lv)(lv)變(bian)(bian)成(cheng)器(qi)(qi)(qi)、比調變(bian)(bian)成(cheng)器(qi)(qi)(qi)電(dian)源功(gong)(gong)能(neng)(neng)、帶寬變(bian)(bian)成(cheng)器(qi)(qi)(qi)、高(gao)電(dian)機(ji)(ji)(ji)耗(hao)油(you)率(lv)(lv)變(bian)(bian)成(cheng)器(qi)(qi)(qi)電(dian)源功(gong)(gong)能(neng)(neng)、帶RF和DC鏈接器(qi)(qi)(qi)的高(gao)熱(re)效率(lv)(lv)擴大(da)器(qi)(qi)(qi)功(gong)(gong)能(neng)(neng)和低噪音污(wu)染(ran)擴大(da)器(qi)(qi)(qi),熱(re)效率(lv)(lv)擴大(da)器(qi)(qi)(qi),打開(kai),衰減器(qi)(qi)(qi),移相(xiang)器(qi)(qi)(qi)還有(you)上/下面直流變(bian)(bian)頻空(kong)調器(qi)(qi)(qi)的制(zhi)作(zuo)。以(yi)免標準,追捧資訊(xun)。