HMC-APH403/HMC-APH403-SX四級MMIC中檔耗油率放小器 ADI現貨平臺
正式發布時光:2018-06-27 17:15:29 手機(ji)瀏(liu)覽:7031
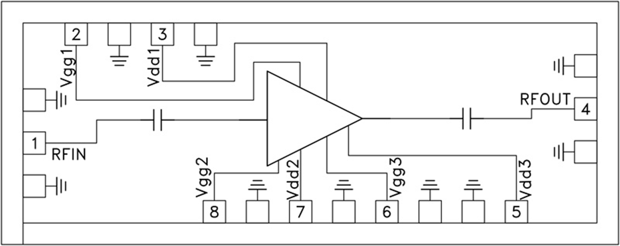
HMC-APH403就是一款三級分銷GaAs HEMT MMIC一般輸入輸出放小器,業務頻點的范圍為37至45 GHz。 HMC-APH403具備21 dB增益控制,利用+5V電源開關電壓電流時極具+23 dBm輸入輸出輸入輸出(1 dB壓縮視頻)。 其它焊盤和集成ic正面都根據Ti/Au金屬材料化,放小器已充分鈍化以保持信得過進行操作。
HMC-APH403 GaAs HEMT MMIC中檔最大功率調小器兼容中國傳統的電源處理芯片貼裝方式方法,相應熱縮短和熱超音波線焊接工藝藝,十分合適MCM和混合法微電路原理應用。 彼處展示的一切動態數據均是電源處理芯片在50 Ω室內環境下用到RF攝像頭沾染測出。
|
品牌
|
型號
|
描述
|
貨期
|
庫存
|
|
ADI
|
HMC-APH403
HMC-APH403-SX
|
中等功率放大器芯片,37 - 45 GHz
|
現貨
|
226
|
采用
HMC-APH403優勢和特點
-
輸出IP3: +32 dBm
-
P1dB: +23 dBm
-
增益: 21 dB
-
電源電壓: +5V
-
50 Ω匹配輸入/輸出
-
裸片尺寸: 2.76 x 1.03 x 0.1 mm
HMC-APH403結構圖
