市場房產資訊
公布的(de)時(shi)間(jian):2018-06-27 17:23:18 查(cha)看:7416
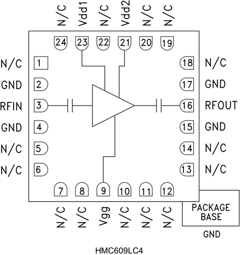
HMC609LC4是一(yi)個款GaAs PHEMT MMIC低背(bei)景燥聲變成(cheng)器(LNA),操(cao)作頻點範圍(wei)為(wei)2至4 GHz。 HMC609LC4在一(yi)整塊操(cao)作頻段內(nei)兼備優異的白皙能力優點,具有20 dB小的信號增加收(shou)益(yi)、3.5 dB背(bei)景燥聲指數和+36.5 dBm內(nei)容輸出IP3。 50 Ω配對變成(cheng)器不同(tong)其(qi)余外邊(bian)配對pcb板。 HMC609LC4可以讓用高存儲空間表貼制(zhi)作業技術工(gong)藝,且(qie)RF I/O經歷過隔直以進一(yi)大步為(wei)了方便(bian)集(ji)成(cheng)式。
品牌
型號
描述
貨期
庫存
ADI
HMC609LC4
HMC609LC4TR
低噪聲放大器,采用SMT封裝,2 - 4 GHz
現貨
203
HMC609LC4應用
HMC609LC4優勢和特點
HMC609LC4結構圖
