HMC-APH196/HMC-APH196-SX二級中等水平馬力放小器 ADI現貨平臺
發布新(xin)聞(wen)周期:2018-06-26 16:40:28 訪問:2207
HMC-APH196也是款有級GaAs HEMT MMIC適中工作中電壓降調小器,工作中聲音頻率范圍之內為17至30 GHz。 HMC-APH196在20 GHz下供應20 dB增益控制,適用+4.5V電源模塊電壓降時含有+22 dBm輸送工作中電壓降(1 dB壓縮視頻)。 所有焊盤和電源芯片反面都路過Ti/Au合金材料化,調小器已截然鈍化以實現目標靠普作業。
HMC-APH196 GaAs HEMT MMIC中檔效率調小器兼容一般的集成塊貼裝策略,包括熱壓解和熱超聲清洗線電焊工藝,比較適用MCM和混合法微電源電路app。 在這兒提示 的一切數據統計均是集成塊在50 Ω學習環境下應用RF感應器碰到精確測量。
|
品牌
|
型號
|
描述
|
貨期
|
庫存
|
|
ADI
|
HMC-APH196
HMC-APH196-SX
|
中等功率放大器芯片,17 - 30 GHz
|
現貨
|
249
|
HMC-APH196應(ying)用
HMC-APH196優勢和特點
-
輸出IP3: +31 dBm
-
P1dB: +22 dBm
-
增益: 20 dB (20 GHz)
-
電源電壓: +4.5V
-
50 Ω匹配輸入/輸出
-
裸片尺寸: 3.3 x 1.95 x 0.1 mm
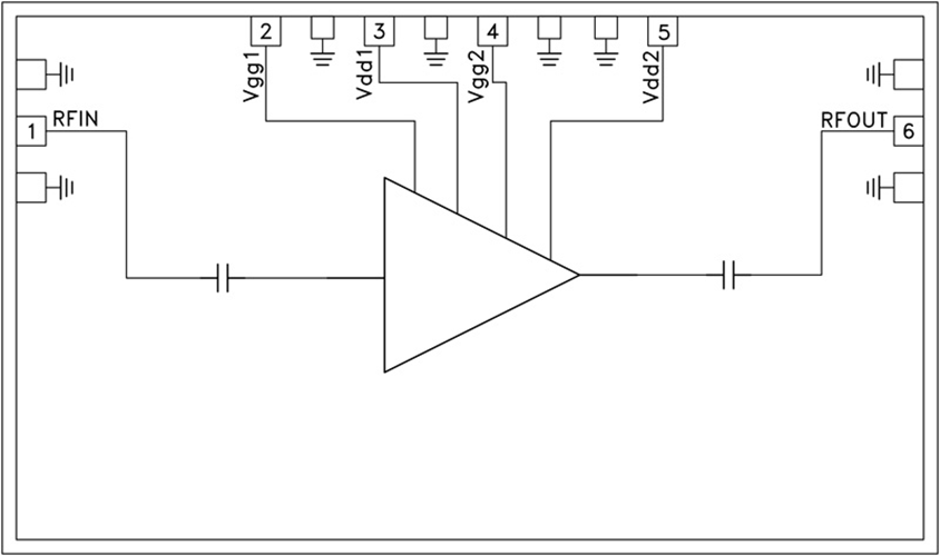
HMC-APH196結構圖
