HMC-AUH320/HMC-AUH320-SX四六級中檔工作電壓圖像放大儀 ADI現貨平臺
發布(bu)消息準確時間:2018-06-27 11:44:10 訪問 :2725
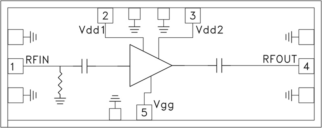
HMC-AUH320有的是款高動態展示面積的英語四級GaAs HEMT MMIC一般公率增加器,在71至86 GHz的幀率下任務。 HMC-AUH320在74 GHz幀率下保證了16 dB的增益控制,在1 dB壓縮的點保證了+15 dBm的輸出精度公率,使用+4V電源開關輸出功率。 其他焊盤和心片上面都經Ti/Au塑料化,增加器元器已已經鈍化以實現目標可以信賴實際操作。
HMC-AUH320 GaAs HEMT MMIC中上效率變大器可兼容常見的IC存儲芯片貼裝步驟,各種熱壓縮視頻和熱超聲心動圖線焊,越來越滿足MCM和混和微三極管用途。 在這兒現示的很多統計資料均是IC存儲芯片在50 Ohm工作環境下適用RF傳感器觸及測是。
|
品牌
|
型號
|
描述
|
貨期
|
庫存
|
|
ADI
|
HMC-AUH320
HMC-AUH320-SX
|
中等功率放大器芯片,71 - 86 GHz
|
現貨
|
233
|
HMC-AUH320應(ying)用
-
短程/高容量鏈路
-
無線LAN網橋
-
汽車雷達
-
軍事和太空
-
E波段通信系統
HMC-AUH320優勢和特點
-
增益: 16 dB (76 GHz)
-
P1dB: +15 dBm
-
電源電壓: +4V
-
50 Ω匹配輸入/輸出
-
裸片尺寸:
2.20 x 0.87 x 0.1 mm
HMC-AUH320結構圖
