HMC-ABH241/HMC-ABH241-SX4個等級GaAs HEMT MMIC中上工作電壓放縮器 ADI現貨黃金
公布的(de)時段:2018-06-26 16:30:49 瀏覽網頁:2435
THMC-ABH241是款四個維度GaAs HEMT MMIC適中瓦數變成器,工作任務頻段空間為50至66 GHz。 HMC-ABH241展示24 dB增益值,選擇+5V電流值電流值時有+17 dBm輸入輸出瓦數(1dB擠壓)。 擁有焊盤和處理芯片正背都過程Ti/Au塑料化,變成器已充分鈍化以實行穩定可靠進行操作。
HMC-ABH241 GaAs HEMT MMIC中級工率擴大器兼容傳統性的集成塊貼裝方案,及熱再壓縮和熱超聲心動圖線焊接藝,相對滿足MCM和結合微電路系統應用。 此地屏幕上顯示的整個數據文件均是集成塊在50 Ω自然環境下的使用RF紅外探頭交往精確測量。
|
品牌
|
型號
|
描述
|
貨期
|
庫存
|
|
ADI
|
HMC-ABH241
HMC-ABH241-SX
|
中等功率放大器芯片,50 - 66 GHz
|
現貨
|
249
|
THMC-ABH241應(ying)用
THMC-ABH241優勢和特點
-
輸出IP3: +25 dBm
-
P1dB: +17 dBm
-
增益: 24 dB
-
電源電壓: +5V
-
50 Ω匹配輸入/輸出
-
裸片尺寸: 3.2 x 1.42 x 0.1 mm
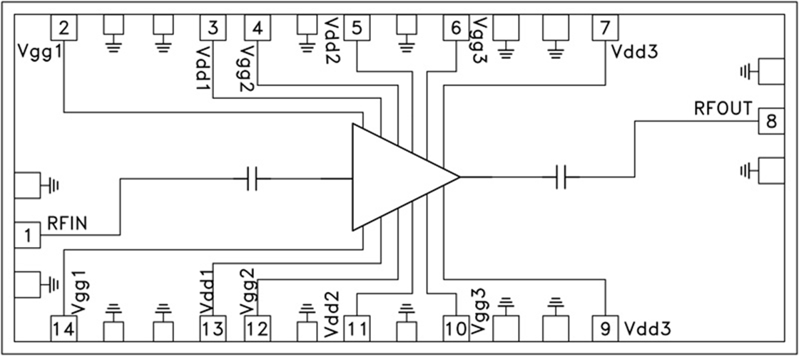
THMC-ABH241結構圖
