HMC608LC4/HMC608LC4TR/HMC608LC4TR-R5一般額定功率縮放器 ADI期貨
正(zheng)式發(fa)布(bu)期限:2018-06-26 16:19:23 挑選:2462
HMC608LC4都是款高動態化范疇GaAs pHEMT MMIC中低做任務最大功率變小器,運用無引腳“無鉛”SMT打包封裝。該變小器供應四種做任務的模型切換:高增加收益值的模型切換(Vpd引腳短接至地);和低增加收益值的模型切換(Vpd引腳保持穩定短路)。下表現示了在高增加收益值的模型切換下做任務的變小器的電氣公司標準。該變小器都具有9.5至11.5 GHz的做任務范疇,供應29.5 dB增加收益值、+27.5 dBm飽合做任務最大功率和23% PAE(+5V24v電源線電壓)。燥音公式為6 dB,而所在IP3為+33 dBm。隔直RF I/O篩選至50 Ω,施用的便。HMC608LC4不需線焊,可能施用的表貼研發技術。
|
品牌
|
型號
|
描述
|
貨期
|
庫存
|
|
ADI
|
HMC608LC4,HMC608LC4TR,HMC608LC4TR-R5
|
中等功率放大器,采用SMT封裝,9.5 - 11.5 GHz
|
現貨
|
237
|
HMC608LC4應用
HMC608LC4優勢和特點
-
輸出IP3:+33 dBm
-
飽和功率:+27.5 dBm (23% PAE)
-
增益:29.5 dB
-
電源:+5V(310 mA時)
-
50 Ω匹配輸入/輸出
-
符合RoHS標準的4x4 mm SMT封裝
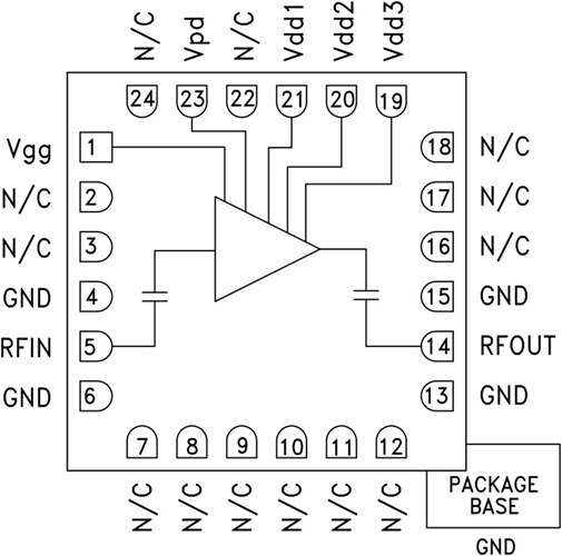
HMC608LC4結構圖
