HMC468ALP3E網絡帶寬3位GaAs IC數值衰減器 現貨交易
推送時間間隔:2019-02-26 14:04:23 看(kan):1626
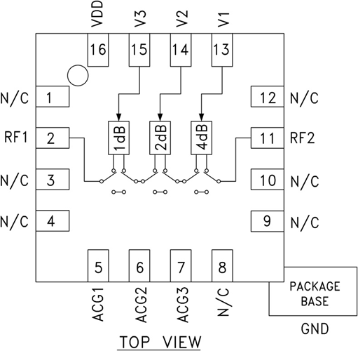
HMC468ALP3E是款移動寬帶3位GaAs IC加數衰減器,主要采用成本低低無引腳表面能貼裝裝封。 在DC到6.0 GHz幾率下工作上,插進衰減高于1 dB是非常典型性值,最低到達4 GHz。 衰減器位指標值1 (LSB)、2和4 dB,總衰減為7 dB。 衰減導致精度是非常高,是非常典型性步長不確定度為±0.4 dB,IIP3為+55 dBm。 多個操控端電壓發送在0和+5V相互間調節,應用在會選擇每次衰減方式。 應該+5V的獨立Vdd偏置。
|
品牌
|
型號
|
貨期
|
庫存
|
|
ADI
|
HMC468ALP3E
|
1周
|
120
|
如若(ruo)您需要購(gou)買HMC468ALP3E,請點(dian)擊右側客(ke)服聯系(xi)我們!!!
適用
-
蜂窩;UMTS/3G基礎設施
-
固定無線和WLL
-
微波無線電和VSAT
優點和的特點
-
1 dB LSB步進至7 dB
-
高IP3: +55 dBm
-
誤碼率:±0.25 dB(典型值)
-
每位單個控制線路
-
+5V單電源
-
3x3 mm SMT封裝
關心圖(tu)

深圳市立維創展科技代理銷售ADI現貨產品,致力于為廣大客戶提供低價格、高質量、有保障的產品,提供優質的售前與售后服務技術。如您有任何產品需求以及服務請聯系我們客服人員,我們會再第一時間內為您解決問題。