HMC447LC3低背景噪聲四分頻凈化分頻器 現貨交易
推送用(yong)時:2019-02-26 14:07:37 閱覽:1720
HMC447LC3是款低噪音風機污染3分頻二次利用分頻器,通過InGaP GaAs HBT的技術。 這車網絡帶寬分頻器的運作導入頻次為10到26 GHz,可聯受極寬空間的導入工作功率水平面。 HMC447LC3體現了-150 dBc/Hz的過低SSB相位躁音污染(100 kHz偏置時),愈來愈好在高頻鎖相環(PLL)中安全使用,同時某個系統中需求基波和分頻LO頻次的本振(LO)劃分使用。
是一款效果推進改革的分頻器食用單一+5V正電源開關,耗電量僅為96 mA,在額定值網絡帶寬條件下給出如此平淡的傷害最大功率。 HMC447LC3所采用具備著RoHS標準規范的3x3 mm的無引腳SMT裝封,具備著露外的接地線焊盤。
|
品牌
|
型號
|
貨期
|
庫存
|
|
ADI
|
HMC447LC3
|
1周
|
100
|
要是您需要買HMC447LC3,請點選右測售后客服找話題讓我們!!!
HMC447LC3應用
-
點對點/多點無線電
-
VSAT無線電
-
光纖產品
-
測試設備
HMC447LC3優勢和特征
-
很寬的帶寬
-
超低SSB相位噪聲: -150 dBc/Hz
-
輸出功率: -4 dBm
-
單直流電源: +5V
-
符合RoHS標準的3x3 mm SMT封裝
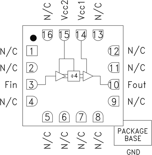
HMC447LC3示意圖

深圳市立維創展科技代理銷售ADI現貨產品,致力于為廣大客戶提供低價格、高質量、有保障的產品,提供優質的售前與售后服務技術。如您有任何產品需求以及服務請聯系我們客服人員,我們會再第一時間內為您解決問題。