HMC311LP3異質結雙正負極結晶管 ADI現貨黃金
發布了準確時間(jian):2019-02-18 10:05:38 訪(fang)問 :1620
HMC311LP3有的是款GaAs InGaP異質結雙旋光性氯化鈉晶體管(HBT)增益值控制控制值版塊MMIC SMT變成器,做工作的頻率領域為DC至6 GHz。 此款3x3mm QFN打包封裝變成器可以用作級聯50 Ohm增益值控制控制值級或應用在驅動軟件讀取轉換最大功率高達到+17 dBm的HMC混頻器LO。 HMC311LP3(E)出示14.5 dB的增益值控制控制值,+32 dBm的讀取IP3,此外僅需+5V開關電源出示56 mA感應電流。 選用的達林頓調查問卷對可降低了對常規工藝設備轉變 的刺激性度,出示非常出色的平均溫度增益值控制控制值固判定,只需非常少的外邊偏置組件。
|
品牌
|
型號
|
貨期
|
庫存
|
|
ADI
|
HMC311LP3
|
1周
|
60
|
若是您必須 購HMC311LP3,請點擊事件左側客服在線取得在線留言大家!!!
HMC311LP3APP
-
蜂窩/PCS/3G
-
固定無線和WLAN
-
有線電視和電纜調制解調器
HMC311LP3優缺點和性能
-
P1dB輸出功率: +15.5 dBm
-
輸出IP3: +32 dBm
-
增益: 14.5 dB
-
50 Ohm I/O’s
-
16引腳3x3 mm SMT封裝: 9mm2
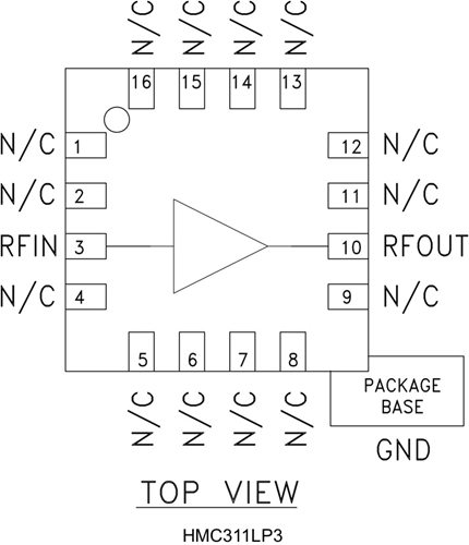
HMC311LP3結構圖

深圳市立維創展科技代理銷售ADI現貨產品,致力于為廣大客戶提供低價格、高質量、有保障的產品,提供優質的售前與售后服務技術。如您有任何產品需求以及服務請聯系我們客服人員,我們會再第一時間內為您解決問題。