HMC437MS8GE低嗓聲靜止分頻器 正品期貨
公布事件:2019-02-18 10:22:56 搜素:2185
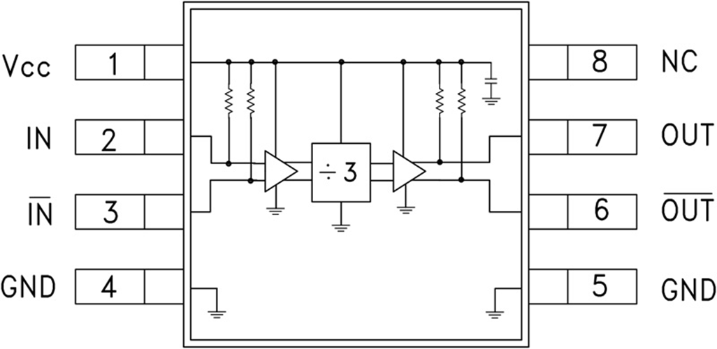
HMC437MS8GE都是款低噪音分貝5分頻外部分頻器,運用InGaP GaAs HBT技術設備,用于低總成本8引腳表貼pp塑料封裝。 此集成電路芯片在DC(運用方波放入)至7 GHz的放入次數下辦公,運用+5V DC單開關電源。 100 kHz偏置時的低加性SSB相位噪音分貝為-153 dBc/Hz,能夠促進手機用戶確保充分的系統噪音分貝耐磨性。
|
品牌
|
型號
|
貨期
|
庫存
|
|
ADI
|
HMC437MS8GE
|
1周
|
30
|
若是您必須要購HMC437MS8GE,請點左面客服在線連接人們!!!
HMC437MS8GE用
-
UNII、點對點和VSAT無線電
-
802.11a和HiperLAN WLAN
-
光纖產品
HMC437MS8GE優勢和特點
-
SSB相位噪聲: -153 dBc/Hz(100KHz)
-
寬帶寬
-
輸出功率: -1 dBm
-
單直流電源: +5V (69 mA)
-
MS8G SMT封裝
HMC437MS8GE結構圖

深圳市立維創展科技代理銷售ADI現貨產品,致力于為廣大客戶提供低價格、高質量、有保障的產品,提供優質的售前與售后服務技術。如您有任何產品需求以及服務請聯系我們客服人員,我們會再第一時間內為您解決問題。