產業新聞
發表時段:2018-06-21 15:09:53 瀏覽網頁:2544
品牌
型號
描述
貨期
庫存
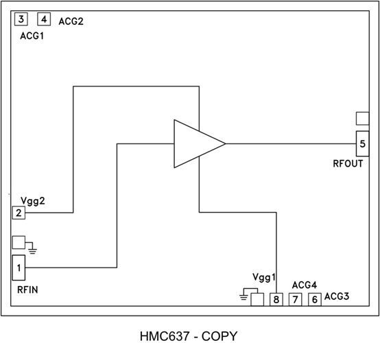
ADI
HMC637A
GaAs MMIC 1 W功率放大器,DC - 6 GHz
現貨
32
HMC637A應運
HMC637A優勢和特點
HMC637A結構圖
