制造行業動態新聞
發(fa)表精力:2025-08-28 15:04:32 查看:22
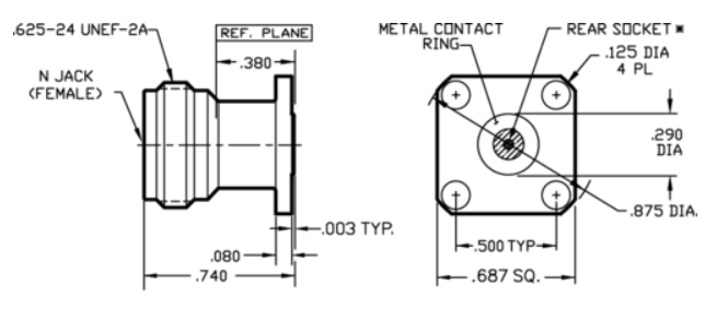
312-04SF是SOUTHWEST華南紅外光(guang)(Southwest Microwave)精密(mi)(mi)鑄(zhu)造級 N 型(xing)母頭法蘭盤裝設接(jie)觸器,可用(yong)以 DC–18 GHz 光(guang)纖寬帶不一(yi)樣(yang)。金(jin)屬外殼不銹鋼電鑲金(jin)抗(kang)腐(fu)蝕,中(zhong)心點導(dao)體鈹銅電鑲金(jin),幫助 0.085" 半剛/柔電力電纜。全(quan)頻段 VSWR ≤1.25:1,插(cha)損(sun) <0.1dB(10GHz),工作效(xiao)率 200W,耐(nai)熱性 -55°C 至 +165°C,500 次插(cha)拔可以信(xin)(xin)賴,先選氣密(mi)(mi)性封裝形式,達到軍(jun)標及航空身份驗證(zheng),選使用(yong)在航空、相控(kong)陣(zhen)外置天線等高可以信(xin)(xin)賴領域(yu)。
能力技(ji)術指標(biao):
? 頻段(duan):DC–18 GHz
? 活套法蘭:0.687" 方 4 孔(kong)一定
? 得(de)到重點(dian)針直徑:0.036"
? VSWR:1.15:1(典型(xing)性(xing)值)
? 工作溫(wen)度:-55 °C ~ +165 °C
? 能選氣密性打包封裝,不符合 MIL-STD-348 數據接口要求
電(dian)氣開關性:
電壓(ya)值駐波比(VSWR):直式(shi)(shi) ≤1.15(6 GHz 時),彎式(shi)(shi) ≤1.25(6 GHz 時)。
加上消耗:≤0.24 dB(6 GHz 時)。
耐電(dian)流(liu)值:2500 V rms;運轉(zhuan)線電壓(ya):1000 V rms。
觸碰電阻值:中心(xin)局(ju)打交道電容 ≤1 mΩ,外導體功率電阻 ≤1 mΩ。
電絕緣電容:≥5000 MΩ。
機械(xie)制造性能參數:
藕合(he)的方式:5/8-24 螺(luo)牙銜接(jie), 保障振(zhen)動模式(shi)學習環(huan)境下的穩明(ming)確性。
恢復力:≥6 lbs(服務中心導(dao)體)。
物理蓄電量(liang):≥500 次插拔(的使用鈹銅(tong)沾染件(jian)時)。

工(gong)作環(huan)境不適用性:
耐結垢性:符合標準 MIL-STD-202 Method 101 標準。
高頻振(zhen)動:MIL-STD-202 Method 204 測驗進行。
構成與用料
殼子通過鋼和 CRES 各(ge)種合金 UNS S30300,接線柱用于鈹(pi)銅 (BeCu) UNS C17300。
介電材質為純 PTFE 氟碳板材,中心點(dian)玩阻止(zhi)運用(yong)高(gao)熱 Ultem 1000。
主休:純(chun)銅鍍(du)鎳,界面(mian)處理耐腐蝕性性。
中心局針:紫(zi)銅電(dian)鍍(du),確認低接觸性電(dian)阻器與無數次插拔穩定可靠(kao)性。
電絕緣(yuan)體(ti):聚四氟乙(yi)稀(xi)(PTFE)或聚甲醛污(wu)染(POM),低材料耗(hao)費、耐中高溫。
蝶閥法蘭(lan)盤:4 孔方型的(de)設計,孔距 0.531",支持原則(ze) 0.750" 方腔或設計印刷板。
電源接口(kou)與(yu)性(xing)能:
無線(xian)防水連接器音(yin)頻接口遵(zun)循(xun) MIL-STD-348 規范,體(ti)現了(le)凹陷金(jin)屬(shu)跨(kua)接環,做到(dao) 360° 復合與復合打交道。
可與同一遵循 MIL-STD-348 要(yao)求的徽波元器(qi)件兼容。
應(ying)運場景中
無線通(tong)信體統:
同(tong)軸電纜、通信基站(zhan)(zhan)、主(zhu)動(dong)(dong)/分手后移動(dong)(dong)通信基站(zhan)(zhan)配件。
電(dian)臺廣(guang)播智能、WIFI 網洛、廣(guang)州(zhou)POS機對廣(guang)州(zhou)POS機流量(liang)。
重(zhong)工業研究方向:
雷達(da)天(tian)線(xian)設施、頻(pin)射消融診(zhen)治(zhi)儀(yi)。
公測組合夾具、高輸(shu)出功率(lv)rf射頻模組。
航(hang)空(kong)運(yun)輸(shu)航(hang)空(kong)工業:
衛星信(xin)號通信(xin)網、相控陣同軸(zhou)電纜裝置。
足夠 NASA/ESA 釋(shi)氣實(shi)名認證(zheng)條件(jian)。
相關(guan)的規格型號:
312-01SF、312-02SF、312-03SF 等(deng),我們可利用基本意(yi)愿采用最合適的材質。
東莞 市立維創展科技信息開發SOUTHWEST東南(nan)微波(bo)射頻大這部(bu)分型號查詢提(ti)(ti)高(gao)現貨平(ping)臺成(cheng)品,并請求提(ti)(ti)高(gao)系統鼓勵與售服服務的,熱情接待了解。