行業領域咨詢
分享事(shi)件:2025-08-01 16:40:20 搜索(suo):71
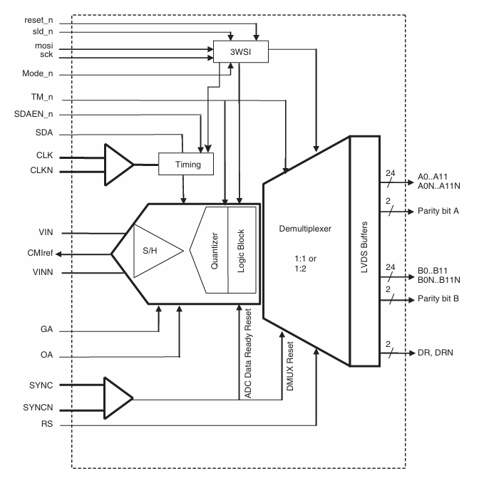
EV12AS200A的(de)“取樣(yang)推遲細調(diao)”基本功能底層(ceng)邏(luo)輯上是(shi)在 ADC 采樣(yang)系統秒表路勁里導(dao)入一根程(cheng)序控制(zhi)器(qi)序、步進電(dian)機 24 fs 的(de)推遲線(Delay Line)。憑借亞皮秒級的(de)耗時位(wei)移(yi),把有差異 清算通道或有差異 處理芯片的(de)取樣(yang)沿拉(la)到的(de)個(ge)相位(wei)標準,導(dao)致把最開始(shi)由掛鐘歪掉、PCB 布線差、電(dian)子元(yuan)件內控口徑震動(dong)等創造的(de)操(cao)作系統相位(wei)不確定度放低到 24 fs 數(shu)據量。
1. 相位計(ji)算誤差(cha)的(de)主要來(lai)源
? 數字時鐘生長變(bian)歪:多片 ADC 或 FPGA 發收端中的鋪(pu)線間距差(cha)、接(jie)入器公差(cha)、抗震器廷遲(chi)不一(yi)致(zhi)性。
? 孔直徑會抖:ADC 內層采樣系統控(kong)制開關使用一剎那(nei)的時域(yu)晃(huang)動。
? 熱(re)漂(piao)移:溫濕度發(fa)生發(fa)展引發(fa)的硅超時(shi)、互(hu)傳線(xian)表面電阻率發(fa)生發(fa)展,致使相位(wei)漂(piao)移。
2. 上下調整廷遲(chi)線的型式(shi)
處理(li)芯片內外在取(qu)(qu)樣秒表讀(du)(du)取(qu)(qu)(CLKP/CLKN),導入一道數字式(shi)管理(li)的反相器鏈,每級延期(qi) ≈ 24 fs,共 127 級 ≈ 3 ps 能自由(you)調節面積。經(jing)過 7-bit 寄(ji)存器(Delay_Trim[6:0])讀(du)(du)取(qu)(qu),就可讓采(cai)樣系(xi)統沿全(quan)局(ju)提起或(huo)延后(hou),步進(jin)驅動器也(ye)是 24 fs。

3. 相位要(yao)求(qiu)提拔的(de)數(shu)學課(ke)感情
? 相對 1.5 GSPS、3.3 GHz 滿公率速率,24 fs 應對相位計算誤差 ≈ 2π × 3.3 GHz × 24 fs ≈ 0.5°。
? 在相控陣、波(bo)束產生或(huo) I/Q 解(jie)調裝置中,工作區間相位偏差(cha)每有效(xiao)降低(di) 1°,波(bo)束方向精(jing)度可擴大 0.5°,旁瓣壓制(zhi)的提升 3–6 dB;或(huo)使(shi)正(zheng)交(jiao)解(jie)調系(xi)統鏡像(xiang)控制(zhi)從(cong) 40 dB 升級到 50 dB 以上內(nei)容(rong)。
? 24 fs 的步進(jin)電(dian)機控(kong)制(zhi)遠小于等于設備掛鐘顫(zhan)動(明顯 100–200 fs RMS),因可把“多余測(ce)量誤差”壓(ya)進(jin) 1° 以(yi)里,滿足需要mm毫米波(bo)雷達探測(ce)、寬帶(dai)網(wang)絡(luo)通訊網(wang)絡(luo)對相(xiang)位不同性(xing)的嚴于的標準。
4. 實(shi)計選擇(ze)注(zhu)意事項
a. 上電(dian)后(hou)先(xian)讓各種(zhong)IC芯片跑缺省(sheng)網絡延遲(0x00)。
b. 用(yong)外部(bu)鏈(lian)接(jie)標定源(譬如 100 MHz 余弦或給定相位的寬帶網絡 chirp)一起加(jia)入(ru)各短信通道。
c. 根據 FPGA 估算(suan)每次緩沖區(qu)的相(xiang)位測量誤差 Δφ。
d. Δφ 換(huan)算(suan)成耗時:Δt = Δφ / (2πf),再剩(sheng)以(yi) 24 fs 取整,寫進 Delay_Trim 寄存(cun)器。
e. 再一次(ci)監(jian)測核實(shi),把殘留物隨機誤差壓(ya)到 < ±24 fs(即 < ±0.5°@3 GHz)。
5. 與(yu)表面“數(shu)碼插值”相對比的其(qi)優勢
? 純模仿(fang)延(yan)緩線不添加大數字正確處理延(yan)緩,都(dou)不會轉化插(cha)值計算誤差;
? 延遲時間調整(zheng)在 ADC 內部結構(gou)達(da)成,FPGA 端不必再做子抽樣后(hou)移,增加邏輯推理環境資(zi)源;
? 體(ti)溫漂移(yi)可最新補嘗:操作(zuo)(zuo)系統可周期公式性地多次重復工作(zuo)(zuo)步(bu)驟 a-e,實現目標開環(huan)相位追(zhui)蹤(zong)。
鄭州立維創展科學技術是Teledyne E2V的(de)經銷處商(shang),注意供(gong)求關系Teledyne E2V變位(wei)系數(shu)轉化成器和半導體(ti)器件,其有潛在客戶(hu)能提(ti)供(gong) Teledyne E2V全系 DAC(含宇航級挑選(xuan))的(de)調(diao)試、評價指標板及技術蘋(pin)果支持。單價優(you)勢(shi)與劣勢(shi),青(qing)睞咨詢服(fu)務。