業內信息
上線精力:2025-08-07 16:35:59 觀看:92
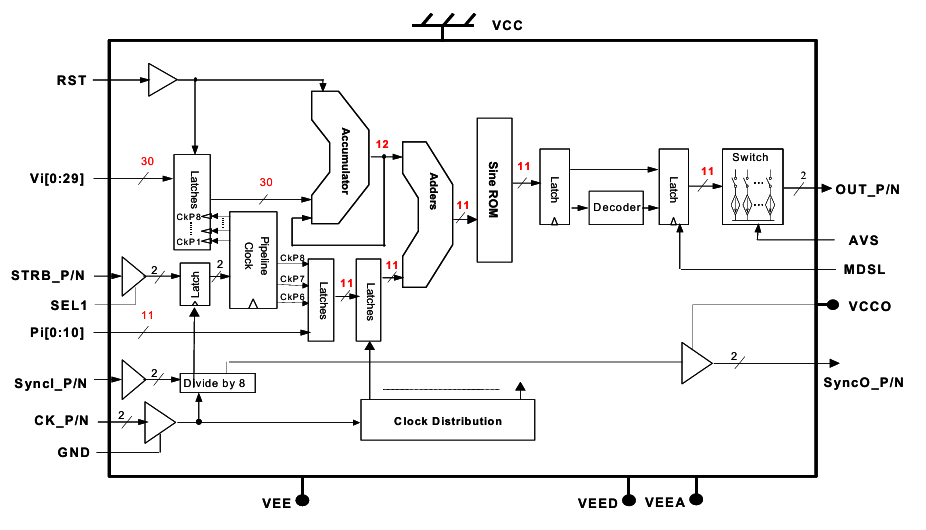
DS875是(shi)EUVIS的(de)一(yi)臺專為高(gao)速收費站(zhan)衛星(xing)信號轉(zhuan)成(cheng)設(she)計(ji)制(zhi)作(zuo)的(de)高(gao)使(shi)用性(xing)能單獨阿拉(la)伯數字規律自動合(he)成(cheng)器(qi)(DDS),其(qi)中心難點(dian)重(zhong)要集淪為高(gao)導(dao)致精度(du)的(de)相(xiang)位(wei)調(diao)變(bian)接口,鼓(gu)勵從直(zhi)流(liu)電壓至4GHz加寬帶比(bi)率內的(de)頻率與相(xiang)位(wei)動態數據(ju)調(diao)準,可大(da)量應該用于(yu)雷(lei)達天線(xian)、網上戰、軟件界(jie)定無線(xian)wifi電及(ji)快速溝通等對手(shou)機信號針對性(xing)酶類(lei)性(xing)和(he)進行性(xing)特殊要求嚴峻的(de)域。
一、DS875層面因素(su)對標(biao)管理
DS875作(zuo)高效果DDS存儲芯片,主要運作(zuo)一般 涵蓋:
- 頻(pin)率(lv)分辯(bian)率(lv):≤0.1Hz
- 相位(wei)調配:16-bit上面辨別率
- 動向性能參數:SFDR >80dBc @100MHz工(gong)作輸(shu)出(chu)
- 鐘表的(de)頻率(lv):≥1GHz
- 調諧網絡速度:<100ns
二、ADI替換措施(shi)
1. AD9914
- 優質(zhi):
- 1GSPS監(jian)測率,32-bit概率調諧字
- ibms14-bit DAC,SFDR達90dBc(200MHz輸入輸出)
- 相(xiang)位(wei)調(diao)(diao)配接口:適(shi)配16-bit相(xiang)位(wei)位(wei)移字,蘋(pin)果(guo)支持號碼/模擬機調(diao)(diao)變(bian)輸(shu)出
- 超快跳頻(<5ns)
- 用途應用領域:聲納、手機戰、高(gao)速路(lu)通(tong)訊。
2. AD9958(雙節點DDS)
- 亮點:
- 500MSPS/綠色通道,兼容正交幅度(du)調制
- 自立的(de)相位/增長幅度調控(每(mei)車道)
- 串行管理模塊細化設計的
- 常用景象(xiang):MIMO機(ji)系統、相干(gan)手機(ji)信號形成
3. AD9102(智能家居控制(zhi)DDS+波型內存器)
- 性別一(yi)定(ding)的(de)差(cha)異:
- 內置SRAM存貯(zhu)隨機波形圖,搭載繁復調試
- 180MSPS刷(shua)新率,12-bit DAC
- 比(bi)較適合(he)是(shi)需要來樣(yang)加工波(bo)型的環(huan)境(如(ru)醫療機構影像)

三、TI替代品規劃
1. DAC38J84(DDS+速度DAC)
- 要素技術指標(biao):
- 1.5GSPS DAC,使用金(jin)額正遞交變頻式
- 可配資(zi)為DDS策略,支持軟件(jian)相位間隔跳頻
- JESD204B標準(zhun)接口簡易(yi)高速收(shou)費(fei)站數據源時延
- 其最典(dian)型的應用:5G頻射(she)單園、通訊(xun)衛(wei)星(xing)微波通信
2. LMK04828(掛(gua)鐘(zhong)發生了器+DDS)
- 新亮點:
- 集成系統低嗓(sang)聲PLL和DDS,達到智(zhi)能化數字(zi)時鐘聚(ju)合
- 相位關聯高精度(du)<1ps
- 采在可以嚴謹時序的機系統(如測驗議(yi)器)
選擇比表
規格 | 生產廠 | 采樣系統率 | SFDR@100MHz | 相位調試 | 接口協議 | 特別的系統 |
DS875 | EUVIS | 1GSPS | >80dBc | 16-bit | 并(bing)行(xing)傳輸/SPI | 超高晃動 |
AD9914 | ADI | 1GSPS | 90dBc | 16-bit | SPI | 很快跳頻 |
AD9958 | ADI | 500MSPS | 85dBc | 14-bit | 串行 | 雙車道正交輸 |
DAC38J84 | TI | 1.5GSPS | 78dBc | 14-bit | JESD204B | 集合數字式上變頻器 |
五、拓展覺得
1. 信息耐磨性(xing)提升:若系統軟件(jian)對雜散的(de)敏感,先期首選AD9914;如需多入口導入,了解AD9958。
2. 模塊兼容問題:傳統系(xi)統適用SPI模塊應用(如(ru)AD9914),迅速(su)體統選擇JESD204B(如(ru)DAC38J84)。
3. 相位(wei)(wei)燥(zao)音(yin)(yin)規定要求:ADI的DDS大部(bu)分遠(yuan)遠(yuan)高(gao)于TI(如AD9914相位(wei)(wei)燥(zao)音(yin)(yin)<-140dBc/Hz @1kHz偏位(wei)(wei))。
長沙市立維創展網絡是EUVIS的(de)銷售商供(gong)應商商,最主要可(ke)以提供(gong)EUVIS的(de)世界各國(guo)頂尖的(de)高(gao)數模換(huan)為DAC、立即數據概率提煉器DDS、重復使用DAC的(de)存儲芯片(pian)級品牌,同時高(gao)提取板卡、日常動態波形圖引發(fa)器等品牌,原廠期(qi)貨,價優勢(shi)與劣(lie)勢(shi),喜歡質詢(xun)。
上一篇: 高速模數轉換器ADC時鐘極性與啟動時間
下一篇: 差分信號轉換成單端信號需要哪些元件?