的行業介紹
更新時(shi)候:2025-06-18 16:36:56 預覽(lan):325
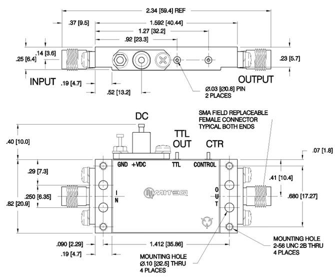
ABIT5-08001200-30-22P-S是款應用于Narda-MITEQ生產加(jia)工的(de)(de)內部(bu)自帶(dai)檢驗查測(ce)器(qi)(qi)調(diao)小器(qi)(qi),長期以來打(da)造于精密機械4g4g信(xin)號查測(ce)與調(diao)小設計(ji)方案做成。其(qi)管理的(de)(de)本質的(de)(de)功能還有時實4g4g信(xin)號查測(ce)、動態(tai)的(de)(de)收獲調(diao)整及內部(bu)自帶(dai)排查體系,其(qi)主(zhu)要中用工控(kong)儀器(qi)(qi)自然(ran)化、通訊網儀器(qi)(qi)及高表面粗糙(cao)度(du)精確測(ce)量業務領域。
安全性能叁數
幾率的范圍:8-12 GHz。
收獲:30 dB。
相位低(di)頻噪音:2.5 dB。
1 dB增(zeng)益值文(wen)件壓縮:1 dB 增(zeng)加收益減小不(bu)超過24 dBm。
BIT的檢測域值:如果低于 20 dBm。
BIT測量(liang)格(ge)式(shi)文件:TTL 單端(duan)。
所在工作(zuo)電壓:Logic 1 = +3.7 ±1.3 VDC。
芯片封裝:盒裝。
功能
?按照其分壓器(qi)或表(biao)面(mian)電源開關滿(man)足(zu)表(biao)面(mian)閾值法(fa)把控好
?用(yong)單(dan)獨TTL傷害
?高(gao)至1/2w的CW電功率讀取
?封密性性Kovar底會提供苛刻(ke)的(de)軍事化區(qu)域環境
?可(ke)給出更多的的某個電力技術(shu)參數、緊(jin)急連(lian)接(jie)方式器,僅查重輸(shu)出精度(無rf射頻)
適用教育領域
天(tian)文(wen)理論(lun)研究:適用人(ren)群(qun)于天(tian)文(wen)氣(qi)象觀測的設備的數據調小(xiao)與測試。
前景(jing)應運(yun):首要主(zhu)要用于前景(jing)探測器、定位通(tong)信(xin)技術等領(ling)域行業的4g信(xin)號(hao)變成。
高可靠性應用:在需要高可靠性的電子系統中,ABIT5-08001200-30-22P-S可提供良好的信號放大與監測功能。
民(min)防工(gong)業(ye):足夠民(min)防工(gong)業(ye)研究方向對光電企業(ye)產品的苛(ke)求請求。
醫療服務:在醫療設備中,如醫療影像設備、生命體征監測設備等,ABIT5-08001200-30-22P-S適合于信號的放大和處理。
西安市立維創展網絡十分有限企業措施加拿大的總品牌初中地理優缺點,對應MITEQ物品線,大多數收夠企業并購怎么樣去變遷,保持精于MITEQ設備(bei)線(xian)訂購銷售(shou)渠道和售(shou)后網點于服(fu)務于支撐,熱(re)情(qing)接待與我們都溝通交流(liu)。

性能 | ABIT5-08001200-25-24P | ABIT5-04000800-25-25P |
聲音頻(pin)率(lv)范圍內(nei)(Frequency range) | 8–12 GHz | 4–8 GHz |
收(shou)獲(Gain) | 30 dB 最短值 | 30 dB 世界上(shang)最(zui)大值 |
嘈音標準值(Noise figure) | 2.5 dB 最(zui)大化(hua)值 | 2.5 dB 最多值 |
1 dB增益值(zhi)減小(1 dB gain compression) | 24 dBm 最大值 | 25 dBm 較小值 |
BIT在(zai)線(xian)探測器閾(yu)值法(BIT detector threshold) | < 20 dBm* | < 20 dBm* |
BIT測(ce)量文(wen)件(jian)格式(shi)(BIT detection format) | TTL 單端(duan) | TTL 單端 |
內容輸出額定功率(Output power) | Logic 1 = +3.7 ±1.3 VDC | Logic 1 = +3.7 ±1.3 VDC |
Logic 1 = +0.4 ±0.4 VDC | Logic 1 = +0.4 ±0.4 VDC |