企業內容
上(shang)傳精力:2025-04-10 16:05:53 搜索:380
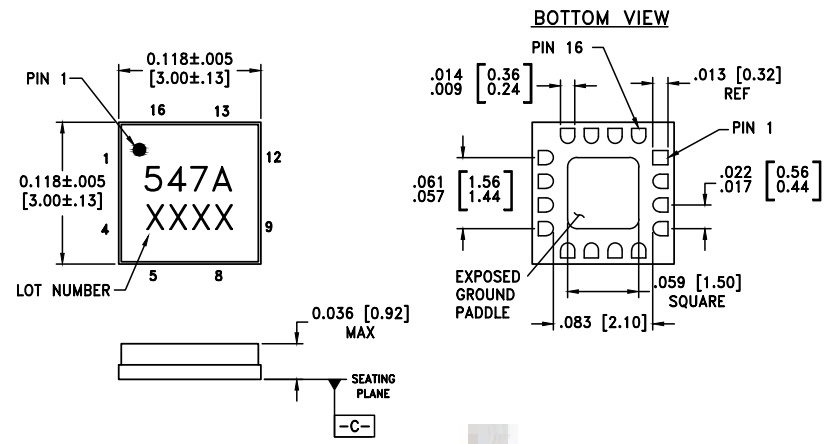
HMC547ALC3實用帶寬高丟開度非全反射型GaAs pHEMT單刀雙擲(SPDT)啟閉,用于滿足企業細則的3mm×3mm無引腳衛浴陶瓷外面貼裝芯片封裝技術。HMC547ALC3任務頻段所覆蓋直流電壓(DC)至28.0 GHz,在全頻段條件內可保證 具有40 dB的端口處丟開度,直接維持導入衰減不低于2 dB的不錯性能公式公式。
其獨一無二的(de)帶寬特征參數、高效切回水平及緊身的(de)打包封裝開發(fa),使其成為了軍事光(guang)電子戰/智能抗衡系統及高要求測試英文機 的(de)夢(meng)想滿足策劃(hua)方案。HMC547ALC3選擇-5V/0V相(xiang)輔相(xiang)成負邏輯學調(diao)整直流電壓規(gui)劃(hua),需外面偏(pian)置(zhi)開關電源就可以保(bao)持安全本職工(gong)作,可以有效簡化(hua)版了整體的(de)設計復雜化(hua)度。

特征英文
高隔絕(jue)度:10 GHz時(shi)為45 dB
20 GHz時為39 dB
低添加消耗:1.9 dB@10 GHz
2.2 dB@20 GHz
更快調成:6ns
非透光制定
16芯工業陶(tao)瓷3x3mm SMT二極(ji)管封裝:9mm2
經典應用軟件
?金屬和聯通寬帶(dai)5G
?徽波(bo)無線網電(dian)和甚的小(xiao)圓孔徑末端
?軍工(gong)用wifi手機電、汽車雷(lei)達和ECM
?檢測器材
鄭州市立維創展科技開發是ADI的(de)二級零(ling)售商,重點給(gei)出縮放器(qi)(qi)、規則化企(qi)業(ye)的(de)護膚品(pin)(pin)、數據分(fen)析換(huan)算器(qi)(qi)、音視(shi)頻(pin)企(qi)業(ye)的(de)護膚品(pin)(pin)、光纖寬帶(dai)企(qi)業(ye)的(de)護膚品(pin)(pin)、鬧鐘和(he)隨機IC、電信光纖安全可(ke)靠(kao)成品(pin)(pin)、插孔和(he)間隔時間、MEMS和(he)調節器(qi)(qi)器(qi)(qi)、交(jiao)流電源和(he)熱經管、操作器(qi)(qi)和(he)DSP、rf射頻(pin)和(he)圖表加(jia)工四核處理器(qi)(qi)、按鈕開關和(he)調整器(qi)(qi)等,食品(pin)(pin)正品(pin)(pin)外盤,多(duo)少(shao)錢主要優勢(shi),的(de)歡迎(ying)咨詢(xun)公司。
上一篇: 高速模數轉換器ADC時鐘極性與啟動時間