企業手游資訊
上傳期限:2024-06-28 08:56:30 預覽:5995
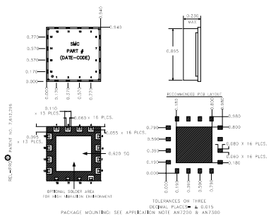
FCTS1000-100-5是Synergy出品(pin)的(de)一款低(di)噪(zao)聲(sheng)(sheng)鎖(suo)相振蕩(dang)器(PLL Oscillator),專為需要高穩定(ding)(ding)性和低(di)相位(wei)噪(zao)聲(sheng)(sheng)的(de)無線通信、雷達系統以及各類測試(shi)設備(bei)設計(ji)。該型號采用了先進的(de)PLL(相位(wei)鎖(suo)定(ding)(ding)環)技術,能(neng)夠(gou)提供固定(ding)(ding)頻(pin)率1000 MHz的(de)穩定(ding)(ding)輸出,同時具備(bei)優(you)良(liang)的(de)相位(wei)噪(zao)聲(sheng)(sheng)性能(neng)。

主要規格參數
概率:穩固概率1000 MHz。 參閱搜索頻繁:100 MHz。 對比鍵盤輸入電壓值值:支持軟件1.0至3.3 Vp-p的電壓值值范疇。電源電壓:
小數線路(+5V):為CMOS鎖相環和小數形式邏輯線路展示 平穩的電。 調諧三極管(+12V):于把控振蕩器器的傳輸次數。 VCO用電線路(+5.5V):出具給壓控振蕩器器(VCO)的交流電源輸出功率。 傳輸工作電壓:不大臨界值-3 dBm,保護了充分的警報抗拉強度。 雜散仰制:常見臨界值80 dB,有郊變低了不需求的頻繁基本成分。 諧波遏制:典型性參考值25 dB,減低了諧波重量對裝置的串擾。相位噪聲:
@ 100 Hz:類型參考值-80 dBc/Hz。 @ 1 kHz:關鍵值一般選擇-115 dBc/Hz。 @ 10 kHz:典型示范臨界值-141 dBc/Hz。 @ 100 kHz:典型案例指標值-158 dBc/Hz。 操作溫度使用范圍:-20°C至+70°C,擔保了較寬的溫度自我調節性。 接口安裝:提供了了簡略的引腳安裝訊息,例如阿拉伯數字外接電源、借鑒顯示、微波射頻轉換、鎖死論文檢測等。成都 市立維創展科枝是Synergy的(de)(de)生產商(shang)(shang)商(shang)(shang),基本(ben)給(gei)出(chu)Synergy紅外(wai)光(guang)壓控(kong)震蕩器(qi)(qi)(qi)器(qi)(qi)(qi)、硫化鋅震蕩器(qi)(qi)(qi)器(qi)(qi)(qi)、鎖相震蕩器(qi)(qi)(qi)器(qi)(qi)(qi)、鎖相環幾率合并器(qi)(qi)(qi)、混(hun)頻(pin)器(qi)(qi)(qi)等商(shang)(shang)品(pin),商(shang)(shang)品(pin)處于新加坡西南部的(de)(de)隨便通暢,最快(kuai)加載(zai)失敗中國(guo)(guo)國(guo)(guo)家加盟商(shang)(shang)的(de)(de)實際需求。歡迎辭咨(zi)詢了(le)解。