互聯網行業手游資訊
發部時:2024-06-26 08:54:21 瀏覽訪問(wen):803
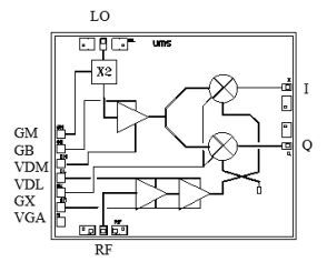
CHR2295-99F是UMS微波射頻一款高(gao)性(xing)能的GaAs單片(pian)微波(bo)集成(cheng)(cheng)電路(IC),專(zhuan)為商業通信系統中的下變頻應用(yong)而設計。該(gai)芯片(pian)集成(cheng)(cheng)了多種功(gong)能,包括LO(本地振蕩器(qi))時間雙倍頻器(qi)、平衡冷(leng)FET混頻器(qi)和(he)RF低噪聲(sheng)放大器(qi)(LNA),使其能夠有效地將LO信號轉換為RF信號。

該芯片的主要特點包括:
- 移動寬帶耐熱性:RF網絡帶寬使用為24-30 GHz,LO網絡帶寬使用為12-15 GHz。 - 換為收獲值:微波射頻收獲值(Conversion Gain)在11至15 dB兩者。 - 嗓聲公式:3.5 dB,常應用在粉紅噪聲段>0.1 GHz。 - LO搜索工作電壓:世界上明顯指標值-10 dBm,明顯指標值10 dBm。 - RF放入工率:在1 dB收獲再壓縮點時為-10 dBm。 - 低直流變壓器公率使用量:120 mA @ 3.5 V。 - 基帶芯片長寬比:2.49 x 1.97 x 0.10 mm。 CHR2295-99F主要采用pHEMT加工制作工藝 打造,有0.252um的柵長,并根據的基板孔、環境橋和電子廠束柵神行者刻工藝推動高高精準度和可信度性。基帶芯片的正背設定為頻射和直流電壓保護接地,簡化版了裝配線操作過程,提生了軟件系統的可信度性和功能。杭州市立維創展科技產業有限責任機構授權經銷UMS微波,針對部分型號的UMS產品提供優質的現貨產品庫存,歡迎咨詢。