業資迅
發布新聞準確時間:2024-03-07 17:15:25 閱覽:839
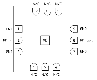
Custom MMIC的CMD227C3是款選擇使用瓷磚QFN型芯片封裝的帶寬MMIC GaAs x2無源倍頻器。當由 +15 dBm 電磁波安裝驅動時,CMD227C3在23 GHz輸送工作頻率下享有 11 dB 轉變成耗損。Fo 和3Fo 隔離度各是 38 dBc 和 49 dBc。CMD227C3選擇使用 50 Ω適用設計的概念,不應該 RF 串口兼容。

優點
低被轉化消耗的資金
良好(hao)的Fo 要進行隔離
帶寬效能
不用再嫉妒
滿意(yi) RoHS 的精細化的無鉛 3x3 mm SMT 二極管(guan)封裝風格
類型廣泛應用
網(wang)絡戰(EW)
Xk線汽(qi)車雷達
Ku頻譜(pu)統計
區域環境室內空間
通信衛星通訊網絡(Satcom)
Custom MMIC誕生于2006年,是家無晶圓頻射和微波加熱MMIC制作子公司,CUSTOM MMIC作用行業運行相近型中合適的MMIC調整業主的頻射數據信號鏈。CUSTOM MMIC是詳細完整的ISOv認證構思師和相近型好一點MMICs制造商商。CUSTOM MMIC供給保持(chi)成(cheng)長(chang)的高(gao)耐(nai)腐蝕性(xing)微波射頻(pin)/紅外光MMIC品(pin)牌線。
QORVO作USA著(zhu)明(ming)的(de)微波通信與mm波精(jing)英型加工商,為全宇(yu)宙用戶數出示是(shi)最高的(de)樣式的(de)GaN和GaAs軟件,Qorvo在2020年順(shun)利完成Custom MMIC采(cai)購。
珠海市立維創展信(xin)息技術有局(ju)限集團管理(li)權限經(jing)銷銷售業務(wu)Custom MMIC品牌線,如(ru)不要(yao)求歡迎圖片了(le)解小編(bian)!!!