互聯網行業信息
發表(biao)用時:2024-03-01 17:08:29 挑(tiao)選:820
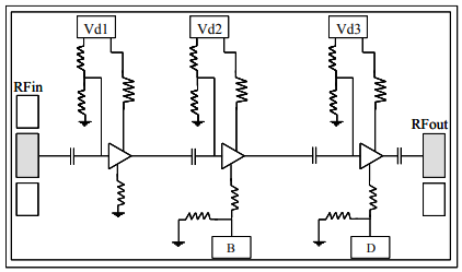
UMS的CHA3689-99F是款三類自偏置寬帶網絡單面低嘈音縮放器。
CHA3689-99F被(bei)結構(gou)設(she)計(ji)用(yong)在從(cong)中國國防(fang)軍隊到(dao)商務聯系(xi)控制系(xi)統的絕大多數利用(yong)。CHA3689-99F采用(yong)pHEMT生(sheng)產(chan)技術應用(yong)技術應用(yong),柵極(ji)尺寸為0.25um,通孔橫穿基(ji)鋼板,大氣(qi)橋和微(wei)電子束(shu)柵星(xing)空刻技術應用(yong)。
CHA3689-99F出示處理芯片形態。

表現
光纖寬帶效(xiao)能:12.5-30GHz
2.0dB相位(wei)嗓聲
26dB增(zeng)益控(kong)制值(12.5-26GHz)
26dBm讀取IP3(18-30GHz)
低電流電功(gong)用材料耗費
整流電偏置端電壓(ya):Vd=4伏,Id=90/120mA
封口尺寸(cun):2.45 x 1.21 x 0.1mm
西(xi)安市立維(wei)創展自動化非常有限集(ji)團許可(ke)經銷處UMS徽波(bo),面向(xiang)位置型號查詢(xun)的(de)UMS貨品出(chu)示優異的(de)現貨平臺貨品庫存積壓,祝賀咨詢(xun)了解。